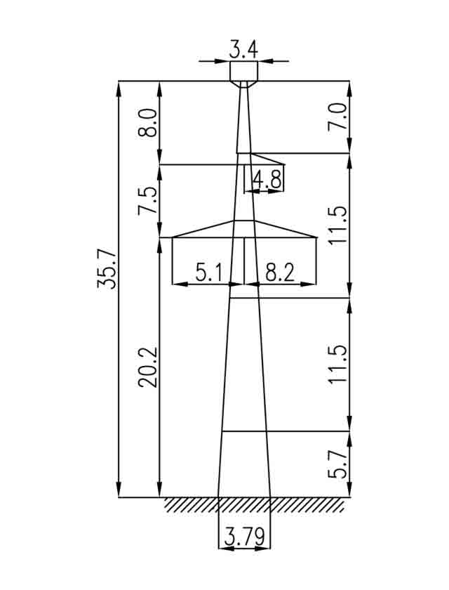
Анкерно-угловые: Линии напряжением 330 кВ служат для распределения электроэнергии внутри крупных энергосистем, для снабжения электроэнергией удалённых или крупных потребителей в Алма-ате.
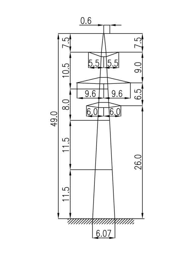
Переходные: Линии напряжением 330 кВ служат для распределения электроэнергии внутри крупных энергосистем
Промежуточные: Они предназначены для крепления и поддержки проводов и тросов на определённом уровне относительно друг друга и земли. Служат для передачи тока напряжением от 35 кВ и выше
Концевые : это элемент воздушной линии электропередач, функцией которых является восприятие создаваемых нормальным односторонним натяжением проводов усилий, направленных вдоль линий
| Марка опоры | Масса без окраски и цинкового покрытия, кг | Масса опоры с горячим цинковым покрытием, кг |
| 1П330-1 | 5208 | 5403 |
| 1П330-1-11.5 | 3742 | 3882 |
| 1П330-1-5.8 | 4460 | 4626 |
| 1П330-1Т | 5489 | 5694 |
| 1П330-1Т-11.5 | 4024 | 4174 |
| 1П330-1Т-5.8 | 4742 | 4919 |
| 1П330-3 | 5525 | 5709 |
| 1П330-3-12.0 | 4547 | 4700 |
| 1П330-3-8.0 | 4938 | 5103 |
| 1П330-3+4.0 | 5916 | 6112 |
| 1П330-3Т | 5815 | 6010 |
| 1П330-3Т-12.0 | 4838 | 5002 |
| 1П330-3Т-8.0 | 5229 | 5405 |
| 1П330-3Т+4.0 | 6206 | 6413 |
| 1У330-1 | 13843 | 14356 |
| 1У330-1+10 | 19820 | 20566 |
| 1У330-1+15 | 24038 | 24940 |
| 1У330-1+5 | 16724 | 17350 |
| 1У330-1Т | 14496 | 15035 |
| 1У330-1Т+10 | 20472 | 21244 |
| 1У330-1Т+15 | 24690 | 25616 |
| 1У330-1Т+5 | 17375 | 18026 |
| 1У330-2 | 21846 | 22662 |
| 1У330-2+10 | 30481 | 31624 |
| 1У330-2+15 | 36284 | 37642 |
| 1У330-2+5 | 26540 | 27523 |
| 1У330-2Т | 22406 | 23247 |
| 1У330-2Т+10 | 31138 | 32306 |
| 1У330-2Т+15 | 36949 | 38332 |
| 1У330-2Т+5 | 27200 | 28207 |
| 2П330-1 | 6522 | 6766 |
| 2П330-1-11.5 | 4759 | 4937 |
| 2П330-1-5.7 | 5550 | 5757 |
| 2П330-1Т | 6796 | 7050 |
| 2П330-1Т-11.5 | 5035 | 5223 |
| 2П330-1Т-5.7 | 5825 | 6042 |
| 2П330-5 | 6193 | 6398 |
| 2П330-5-12.0 | 4933 | 5098 |
| 2П330-5-8.0 | 5420 | 5601 |
| 2П330-5Т | 6483 | 6699 |
| 2П330-5Т-12.0 | 5224 | 5400 |
| 2П330-5Т-8.0 | 5709 | 5900 |
| 3П330-1 | 6247 | 6491 |
| 3П330-1-11.5 | 4590 | 4769 |
| 3П330-1-5.7 | 5341 | 5550 |
| 3П330-1Т | 6497 | 6750 |
| 3П330-1Т-11.5 | 4841 | 5030 |
| 3П330-1Т-5.7 | 5591 | 5809 |
| 3П330-2 | 10749 | 11163 |
| 3П330-2-11.5 | 8178 | 8495 |
| 3П330-2-5.0 | 9542 | 9912 |
| 3П330-2Т | 10939 | 11360 |
| 3П330-2Т-11.5 | 8368 | 8693 |
| 3П330-2Т-5 | 9732 | 10110 |
| К330-1 | ||
| К330-2 | ||
| П330-1 | 4857 | 5017 |
| П330-1-11.4 | ||
| П330-1-5.7 | ||
| П330-1+5,7 | 5408 | 5585 |
| П330-2 | 10082 | 10475 |
| П330-2+5 | 11730 | 12178 |
| П330-2Т | 10361 | 10765 |
| П330-2Т+5 | 12010 | 12478 |
| П330-3 | 6152 | 6392 |
| П330-3+5 | 7517 | 7810 |
| П330-3Т | 6560 | 6816 |
| П330-3Т+5 | 7925 | 8234 |
| П330-5 | 4474 | 4649 |
| П330-9 | 5112 | 5300 |
| ПБ330-7 | ||
| ПП330-1/39 | 57170 | |
| ПП330-1/41 | 65326 | |
| ПП330-1/51 | 70547 | |
| ПП330-1/61 | 95564 | |
| ПП330-1/63 | 86151 | |
| ПП330-1/71 | 112559 | |
| ПП330-1/75 | 106491 | |
| ПП330-1/81 | 131749 | |
| ПП330-1/87 | 132648 | |
| ПП330-2/40 | 106438 | |
| ПП330-2/50 | ||
| ПП330-2/52 | 96399 | |
| ПП330-2/60 | 123338 | |
| ПП330-2/64 | 118965 | |
| ПП330-2/70 | 142816 | |
| ПП330-2/76 | 147699 | |
| ПС330-2 | 9067 | 9421 |
| ПС330-2Т | 9297 | 9660 |
| ПС330-3 | 5416 | 5627 |
| ПС330-3Т | 5825 | 6025 |
| ПС330-5 | 7152 | 8054 |
| ПС330-5ПТ | ||
| ПС330-6 | 10931 | 11358 |
| ПС330-7 | 7505 | 7798 |
| ПС330-7+5 | 8944 | 9293 |
| У330-1 | 13145 | 13658 |
| У330-1+14 | 24327 | 25276 |
| У330-1+5 | 16430 | 17070 |
| У330-1+9 | 19047 | 19790 |
| У330-2 | 22972 | 23870 |
| У330-2+14 | 37446 | 38910 |
| У330-2+5 | 27559 | 28628 |
| У330-2+9 | 30799 | 32000 |
| У330-2Т | 6850 | 24800 |
| У330-2Т+14 | 11000 | 39840 |
| У330-2Т+5 | 8350 | 29558 |
| У330-2Т+9 | 9550 | 32940 |
| У330-3 | 10502 | 10912 |
| У330-3+14 | 21557 | 22397 |
| У330-3+5 | 13507 | 14019 |
| У330-3+9 | 16371 | 17011 |
| УС330-2 | 31006 | 32210 |
| УС330-2Т | 31827 | 33070 |
База опоры, мм:
Высота траверсы, м:
Масса без окраски и цинкового покрытия, кг: 5208
Масса опоры с горячим цинковым покрытием, кг: 5403
База опоры, мм:
Высота траверсы, м:
Масса без окраски и цинкового покрытия, кг: 3742
Масса опоры с горячим цинковым покрытием, кг: 3882
База опоры, мм:
Высота траверсы, м:
Масса без окраски и цинкового покрытия, кг: 4460
Масса опоры с горячим цинковым покрытием, кг: 4626
База опоры, мм:
Высота траверсы, м:
Масса без окраски и цинкового покрытия, кг: 5489
Масса опоры с горячим цинковым покрытием, кг: 5694
База опоры, мм:
Высота траверсы, м:
Масса без окраски и цинкового покрытия, кг: 4024
Масса опоры с горячим цинковым покрытием, кг: 4174
База опоры, мм:
Высота траверсы, м:
Масса без окраски и цинкового покрытия, кг: 4742
Масса опоры с горячим цинковым покрытием, кг: 4919
База опоры, мм:
Высота траверсы, м:
Масса без окраски и цинкового покрытия, кг: 5525
Масса опоры с горячим цинковым покрытием, кг: 5709
База опоры, мм:
Высота траверсы, м:
Масса без окраски и цинкового покрытия, кг: 4547
Масса опоры с горячим цинковым покрытием, кг: 4700
База опоры, мм:
Высота траверсы, м:
Масса без окраски и цинкового покрытия, кг: 4938
Масса опоры с горячим цинковым покрытием, кг: 5103
База опоры, мм:
Высота траверсы, м:
Масса без окраски и цинкового покрытия, кг: 5916
Масса опоры с горячим цинковым покрытием, кг: 6112
База опоры, мм:
Высота траверсы, м:
Масса без окраски и цинкового покрытия, кг: 5815
Масса опоры с горячим цинковым покрытием, кг: 6010
База опоры, мм:
Высота траверсы, м:
Масса без окраски и цинкового покрытия, кг: 4838
Масса опоры с горячим цинковым покрытием, кг: 5002
База опоры, мм:
Высота траверсы, м:
Масса без окраски и цинкового покрытия, кг: 5229
Масса опоры с горячим цинковым покрытием, кг: 5405
База опоры, мм:
Высота траверсы, м:
Масса без окраски и цинкового покрытия, кг: 6206
Масса опоры с горячим цинковым покрытием, кг: 6413
База опоры, мм:
Высота траверсы, м:
Масса без окраски и цинкового покрытия, кг: 13843
Масса опоры с горячим цинковым покрытием, кг: 14356
База опоры, мм:
Высота траверсы, м:
Масса без окраски и цинкового покрытия, кг: 19820
Масса опоры с горячим цинковым покрытием, кг: 20566
База опоры, мм:
Высота траверсы, м:
Масса без окраски и цинкового покрытия, кг: 24038
Масса опоры с горячим цинковым покрытием, кг: 24940
База опоры, мм:
Высота траверсы, м:
Масса без окраски и цинкового покрытия, кг: 16724
Масса опоры с горячим цинковым покрытием, кг: 17350
База опоры, мм:
Высота траверсы, м:
Масса без окраски и цинкового покрытия, кг: 14496
Масса опоры с горячим цинковым покрытием, кг: 15035
База опоры, мм:
Высота траверсы, м:
Масса без окраски и цинкового покрытия, кг: 20472
Масса опоры с горячим цинковым покрытием, кг: 21244
База опоры, мм:
Высота траверсы, м:
Масса без окраски и цинкового покрытия, кг: 24690
Масса опоры с горячим цинковым покрытием, кг: 25616
База опоры, мм:
Высота траверсы, м:
Масса без окраски и цинкового покрытия, кг: 17375
Масса опоры с горячим цинковым покрытием, кг: 18026
База опоры, мм:
Высота траверсы, м:
Масса без окраски и цинкового покрытия, кг: 21846
Масса опоры с горячим цинковым покрытием, кг: 22662
База опоры, мм:
Высота траверсы, м:
Масса без окраски и цинкового покрытия, кг: 30481
Масса опоры с горячим цинковым покрытием, кг: 31624
База опоры, мм:
Высота траверсы, м:
Масса без окраски и цинкового покрытия, кг: 36284
Масса опоры с горячим цинковым покрытием, кг: 37642
База опоры, мм:
Высота траверсы, м:
Масса без окраски и цинкового покрытия, кг: 26540
Масса опоры с горячим цинковым покрытием, кг: 27523
База опоры, мм:
Высота траверсы, м:
Масса без окраски и цинкового покрытия, кг: 22406
Масса опоры с горячим цинковым покрытием, кг: 23247
База опоры, мм:
Высота траверсы, м:
Масса без окраски и цинкового покрытия, кг: 31138
Масса опоры с горячим цинковым покрытием, кг: 32306
База опоры, мм:
Высота траверсы, м:
Масса без окраски и цинкового покрытия, кг: 36949
Масса опоры с горячим цинковым покрытием, кг: 38332
База опоры, мм:
Высота траверсы, м:
Масса без окраски и цинкового покрытия, кг: 27200
Масса опоры с горячим цинковым покрытием, кг: 28207
База опоры, мм:
Высота траверсы, м:
Масса без окраски и цинкового покрытия, кг: 6522
Масса опоры с горячим цинковым покрытием, кг: 6766
База опоры, мм:
Высота траверсы, м:
Масса без окраски и цинкового покрытия, кг: 4759
Масса опоры с горячим цинковым покрытием, кг: 4937
База опоры, мм:
Высота траверсы, м:
Масса без окраски и цинкового покрытия, кг: 5550
Масса опоры с горячим цинковым покрытием, кг: 5757
База опоры, мм:
Высота траверсы, м:
Масса без окраски и цинкового покрытия, кг: 6796
Масса опоры с горячим цинковым покрытием, кг: 7050
База опоры, мм:
Высота траверсы, м:
Масса без окраски и цинкового покрытия, кг: 5035
Масса опоры с горячим цинковым покрытием, кг: 5223
База опоры, мм:
Высота траверсы, м:
Масса без окраски и цинкового покрытия, кг: 5825
Масса опоры с горячим цинковым покрытием, кг: 6042
База опоры, мм:
Высота траверсы, м:
Масса без окраски и цинкового покрытия, кг: 6193
Масса опоры с горячим цинковым покрытием, кг: 6398
База опоры, мм:
Высота траверсы, м:
Масса без окраски и цинкового покрытия, кг: 4933
Масса опоры с горячим цинковым покрытием, кг: 5098
База опоры, мм:
Высота траверсы, м:
Масса без окраски и цинкового покрытия, кг: 5420
Масса опоры с горячим цинковым покрытием, кг: 5601
База опоры, мм:
Высота траверсы, м:
Масса без окраски и цинкового покрытия, кг: 6483
Масса опоры с горячим цинковым покрытием, кг: 6699
База опоры, мм:
Высота траверсы, м:
Масса без окраски и цинкового покрытия, кг: 5224
Масса опоры с горячим цинковым покрытием, кг: 5400
База опоры, мм:
Высота траверсы, м:
Масса без окраски и цинкового покрытия, кг: 5709
Масса опоры с горячим цинковым покрытием, кг: 5900
База опоры, мм:
Высота траверсы, м:
Масса без окраски и цинкового покрытия, кг: 6247
Масса опоры с горячим цинковым покрытием, кг: 6491
База опоры, мм:
Высота траверсы, м:
Масса без окраски и цинкового покрытия, кг: 4590
Масса опоры с горячим цинковым покрытием, кг: 4769
База опоры, мм:
Высота траверсы, м:
Масса без окраски и цинкового покрытия, кг: 5341
Масса опоры с горячим цинковым покрытием, кг: 5550
База опоры, мм:
Высота траверсы, м:
Масса без окраски и цинкового покрытия, кг: 6497
Масса опоры с горячим цинковым покрытием, кг: 6750
База опоры, мм:
Высота траверсы, м:
Масса без окраски и цинкового покрытия, кг: 4841
Масса опоры с горячим цинковым покрытием, кг: 5030
База опоры, мм:
Высота траверсы, м:
Масса без окраски и цинкового покрытия, кг: 5591
Масса опоры с горячим цинковым покрытием, кг: 5809
База опоры, мм:
Высота траверсы, м:
Масса без окраски и цинкового покрытия, кг: 10749
Масса опоры с горячим цинковым покрытием, кг: 11163
База опоры, мм:
Высота траверсы, м:
Масса без окраски и цинкового покрытия, кг: 8178
Масса опоры с горячим цинковым покрытием, кг: 8495
База опоры, мм:
Высота траверсы, м:
Масса без окраски и цинкового покрытия, кг: 9542
Масса опоры с горячим цинковым покрытием, кг: 9912
База опоры, мм:
Высота траверсы, м:
Масса без окраски и цинкового покрытия, кг: 10939
Масса опоры с горячим цинковым покрытием, кг: 11360
База опоры, мм:
Высота траверсы, м:
Масса без окраски и цинкового покрытия, кг: 8368
Масса опоры с горячим цинковым покрытием, кг: 8693
База опоры, мм:
Высота траверсы, м:
Масса без окраски и цинкового покрытия, кг: 9732
Масса опоры с горячим цинковым покрытием, кг: 10110
База опоры, мм:
Высота траверсы, м:
Масса без окраски и цинкового покрытия, кг:
Масса опоры с горячим цинковым покрытием, кг:
База опоры, мм:
Высота траверсы, м:
Масса без окраски и цинкового покрытия, кг:
Масса опоры с горячим цинковым покрытием, кг:
База опоры, мм:
Высота траверсы, м:
Масса без окраски и цинкового покрытия, кг: 4857
Масса опоры с горячим цинковым покрытием, кг: 5017
База опоры, мм:
Высота траверсы, м:
Масса без окраски и цинкового покрытия, кг: 5408
Масса опоры с горячим цинковым покрытием, кг: 5585
База опоры, мм:
Высота траверсы, м:
Масса без окраски и цинкового покрытия, кг: 10082
Масса опоры с горячим цинковым покрытием, кг: 10475
База опоры, мм:
Высота траверсы, м:
Масса без окраски и цинкового покрытия, кг: 11730
Масса опоры с горячим цинковым покрытием, кг: 12178
База опоры, мм: 5750
Высота траверсы, м:
Масса без окраски и цинкового покрытия, кг: 10361
Масса опоры с горячим цинковым покрытием, кг: 10765
База опоры, мм: 6330
Высота траверсы, м:
Масса без окраски и цинкового покрытия, кг: 12010
Масса опоры с горячим цинковым покрытием, кг: 12478
База опоры, мм:
Высота траверсы, м:
Масса без окраски и цинкового покрытия, кг: 6152
Масса опоры с горячим цинковым покрытием, кг: 6392
База опоры, мм:
Высота траверсы, м:
Масса без окраски и цинкового покрытия, кг: 7517
Масса опоры с горячим цинковым покрытием, кг: 7810
База опоры, мм: 5420
Высота траверсы, м:
Масса без окраски и цинкового покрытия, кг: 6560
Масса опоры с горячим цинковым покрытием, кг: 6816
База опоры, мм: 6000
Высота траверсы, м:
Масса без окраски и цинкового покрытия, кг: 7925
Масса опоры с горячим цинковым покрытием, кг: 8234
База опоры, мм:
Высота траверсы, м:
Масса без окраски и цинкового покрытия, кг: 4474
Масса опоры с горячим цинковым покрытием, кг: 4649
База опоры, мм:
Высота траверсы, м:
Масса без окраски и цинкового покрытия, кг: 5112
Масса опоры с горячим цинковым покрытием, кг: 5300
База опоры, мм:
Высота траверсы, м:
Масса без окраски и цинкового покрытия, кг:
Масса опоры с горячим цинковым покрытием, кг:
База опоры, мм:
Высота траверсы, м:
Масса без окраски и цинкового покрытия, кг: 57170
Масса опоры с горячим цинковым покрытием, кг:
База опоры, мм:
Высота траверсы, м:
Масса без окраски и цинкового покрытия, кг: 65326
Масса опоры с горячим цинковым покрытием, кг:
База опоры, мм:
Высота траверсы, м:
Масса без окраски и цинкового покрытия, кг: 70547
Масса опоры с горячим цинковым покрытием, кг:
База опоры, мм:
Высота траверсы, м:
Масса без окраски и цинкового покрытия, кг: 95564
Масса опоры с горячим цинковым покрытием, кг:
База опоры, мм:
Высота траверсы, м:
Масса без окраски и цинкового покрытия, кг: 86151
Масса опоры с горячим цинковым покрытием, кг:
База опоры, мм:
Высота траверсы, м:
Масса без окраски и цинкового покрытия, кг: 112559
Масса опоры с горячим цинковым покрытием, кг:
База опоры, мм:
Высота траверсы, м:
Масса без окраски и цинкового покрытия, кг: 106491
Масса опоры с горячим цинковым покрытием, кг:
База опоры, мм:
Высота траверсы, м:
Масса без окраски и цинкового покрытия, кг: 131749
Масса опоры с горячим цинковым покрытием, кг:
База опоры, мм:
Высота траверсы, м:
Масса без окраски и цинкового покрытия, кг: 132648
Масса опоры с горячим цинковым покрытием, кг:
База опоры, мм:
Высота траверсы, м:
Масса без окраски и цинкового покрытия, кг: 106438
Масса опоры с горячим цинковым покрытием, кг:
База опоры, мм:
Высота траверсы, м:
Масса без окраски и цинкового покрытия, кг:
Масса опоры с горячим цинковым покрытием, кг:
База опоры, мм:
Высота траверсы, м:
Масса без окраски и цинкового покрытия, кг: 96399
Масса опоры с горячим цинковым покрытием, кг:
База опоры, мм:
Высота траверсы, м:
Масса без окраски и цинкового покрытия, кг: 123338
Масса опоры с горячим цинковым покрытием, кг:
База опоры, мм:
Высота траверсы, м:
Масса без окраски и цинкового покрытия, кг: 118965
Масса опоры с горячим цинковым покрытием, кг:
База опоры, мм:
Высота траверсы, м:
Масса без окраски и цинкового покрытия, кг: 142816
Масса опоры с горячим цинковым покрытием, кг:
База опоры, мм:
Высота траверсы, м:
Масса без окраски и цинкового покрытия, кг: 147699
Масса опоры с горячим цинковым покрытием, кг:
База опоры, мм:
Высота траверсы, м:
Масса без окраски и цинкового покрытия, кг: 9067
Масса опоры с горячим цинковым покрытием, кг: 9421
База опоры, мм:
Высота траверсы, м:
Масса без окраски и цинкового покрытия, кг: 9297
Масса опоры с горячим цинковым покрытием, кг: 9660
База опоры, мм:
Высота траверсы, м:
Масса без окраски и цинкового покрытия, кг: 5416
Масса опоры с горячим цинковым покрытием, кг: 5627
База опоры, мм:
Высота траверсы, м:
Масса без окраски и цинкового покрытия, кг: 5825
Масса опоры с горячим цинковым покрытием, кг: 6025
База опоры, мм:
Высота траверсы, м:
Масса без окраски и цинкового покрытия, кг: 7152
Масса опоры с горячим цинковым покрытием, кг: 8054
База опоры, мм: 5228
Высота траверсы, м:
Масса без окраски и цинкового покрытия, кг:
Масса опоры с горячим цинковым покрытием, кг:
База опоры, мм:
Высота траверсы, м:
Масса без окраски и цинкового покрытия, кг: 10931
Масса опоры с горячим цинковым покрытием, кг: 11358
База опоры, мм:
Высота траверсы, м:
Масса без окраски и цинкового покрытия, кг: 7505
Масса опоры с горячим цинковым покрытием, кг: 7798
База опоры, мм:
Высота траверсы, м:
Масса без окраски и цинкового покрытия, кг: 8944
Масса опоры с горячим цинковым покрытием, кг: 9293
База опоры, мм: 6240
Высота траверсы, м:
Масса без окраски и цинкового покрытия, кг: 13145
Масса опоры с горячим цинковым покрытием, кг: 13658
База опоры, мм: 10440
Высота траверсы, м:
Масса без окраски и цинкового покрытия, кг: 24327
Масса опоры с горячим цинковым покрытием, кг: 25276
База опоры, мм: 7740
Высота траверсы, м:
Масса без окраски и цинкового покрытия, кг: 16430
Масса опоры с горячим цинковым покрытием, кг: 17070
База опоры, мм: 8940
Высота траверсы, м:
Масса без окраски и цинкового покрытия, кг: 19047
Масса опоры с горячим цинковым покрытием, кг: 19790
База опоры, мм:
Высота траверсы, м:
Масса без окраски и цинкового покрытия, кг: 22972
Масса опоры с горячим цинковым покрытием, кг: 23870
База опоры, мм:
Высота траверсы, м:
Масса без окраски и цинкового покрытия, кг: 37446
Масса опоры с горячим цинковым покрытием, кг: 38910
База опоры, мм:
Высота траверсы, м:
Масса без окраски и цинкового покрытия, кг: 27559
Масса опоры с горячим цинковым покрытием, кг: 28628
База опоры, мм:
Высота траверсы, м:
Масса без окраски и цинкового покрытия, кг: 30799
Масса опоры с горячим цинковым покрытием, кг: 32000
База опоры, мм:
Высота траверсы, м:
Масса без окраски и цинкового покрытия, кг: 6850
Масса опоры с горячим цинковым покрытием, кг: 24800
База опоры, мм:
Высота траверсы, м:
Масса без окраски и цинкового покрытия, кг: 11000
Масса опоры с горячим цинковым покрытием, кг: 39840
База опоры, мм:
Высота траверсы, м:
Масса без окраски и цинкового покрытия, кг: 8350
Масса опоры с горячим цинковым покрытием, кг: 29558
База опоры, мм:
Высота траверсы, м:
Масса без окраски и цинкового покрытия, кг: 9550
Масса опоры с горячим цинковым покрытием, кг: 32940
База опоры, мм:
Высота траверсы, м:
Масса без окраски и цинкового покрытия, кг: 10502
Масса опоры с горячим цинковым покрытием, кг: 10912
База опоры, мм:
Высота траверсы, м:
Масса без окраски и цинкового покрытия, кг: 21557
Масса опоры с горячим цинковым покрытием, кг: 22397
База опоры, мм:
Высота траверсы, м:
Масса без окраски и цинкового покрытия, кг: 13507
Масса опоры с горячим цинковым покрытием, кг: 14019
База опоры, мм:
Высота траверсы, м:
Масса без окраски и цинкового покрытия, кг: 16371
Масса опоры с горячим цинковым покрытием, кг: 17011
База опоры, мм:
Высота траверсы, м:
Масса без окраски и цинкового покрытия, кг: 31006
Масса опоры с горячим цинковым покрытием, кг: 32210
База опоры, мм:
Высота траверсы, м:
Масса без окраски и цинкового покрытия, кг: 31827
Масса опоры с горячим цинковым покрытием, кг: 33070
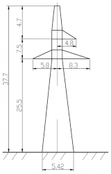
Анкерные опоры напряжением 35 кВ предназначены для натяжения и закрепления линий. Они имеют более жёсткую и сложную конструкцию.
Промежуточные опоры ЛЭП напряжением в 35 кВ являются связующим звеном между высоковольтными магистралями и значением, необходимым для обычных потребителей.
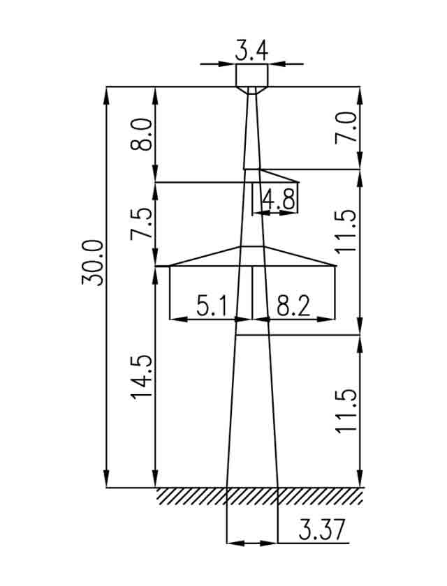
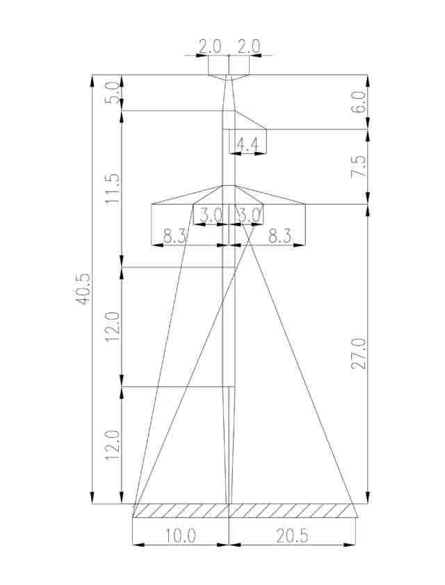
Высоковольтные линии с напряжением 110 кВ служат для передачи энергии населённым пунктам и производственным предприятиям.
Производятся согласно типового проекта 3.407.2-168, и используются для строительства воздушных ЛЭП 110 кВ.
Высоковольтные линии с напряжением 110 кВ служат для передачи энергии населённым пунктам и производственным предприятиям.
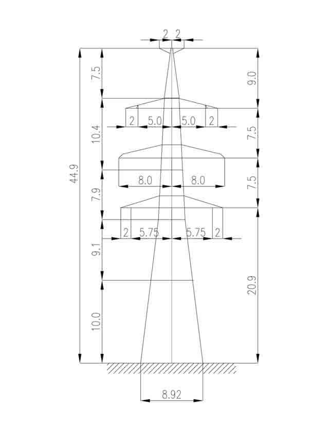
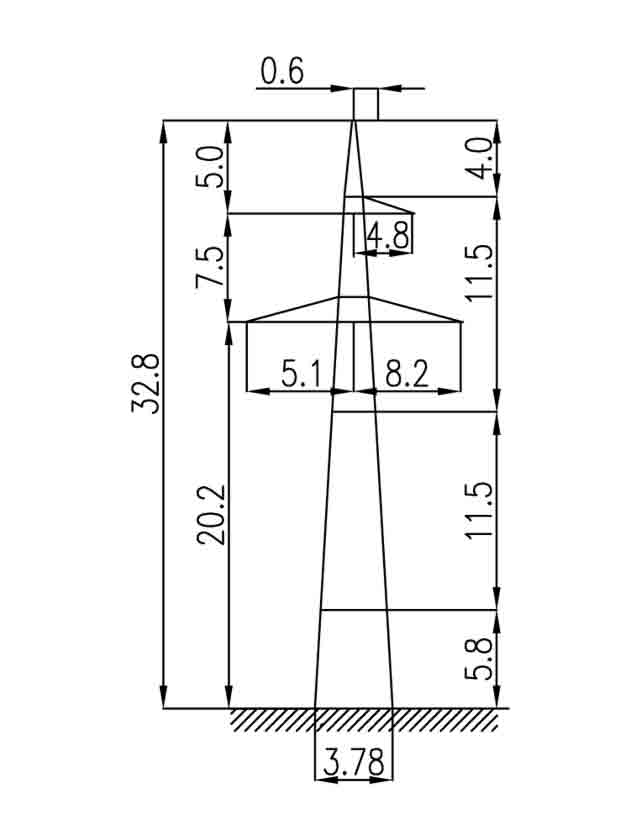
Анкерные угловые опоры воздушных линий 220 кВ производятся и устанавливаются для крепления и натяжения тросов и проводов при поворотах.
Используются в ходе протягивания линий электропередачи между его потребителями и электростанциями.
Переходные опоры ЛЭП напряжением в 220 кВ служат для поддержки и крепления проводов и тросов на нужном расстоянии.
Высоковольтные линии с напряжением 220 кВ служат для передачи энергии населённым пунктам и производственным предприятиям.
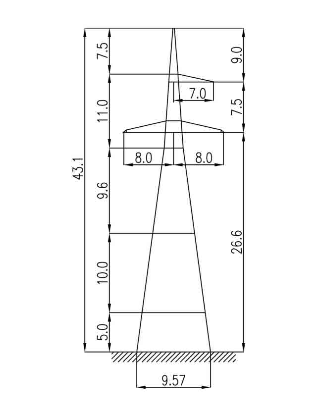
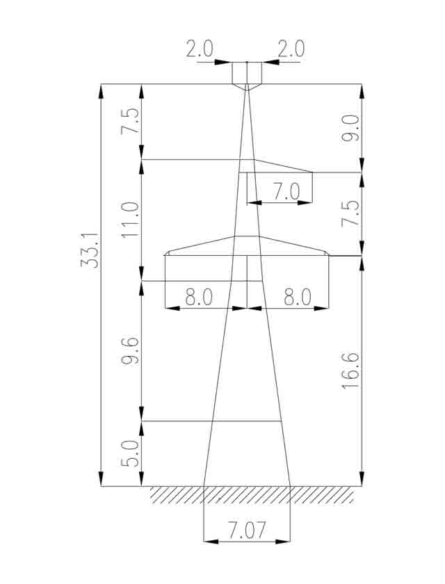
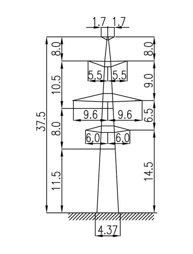
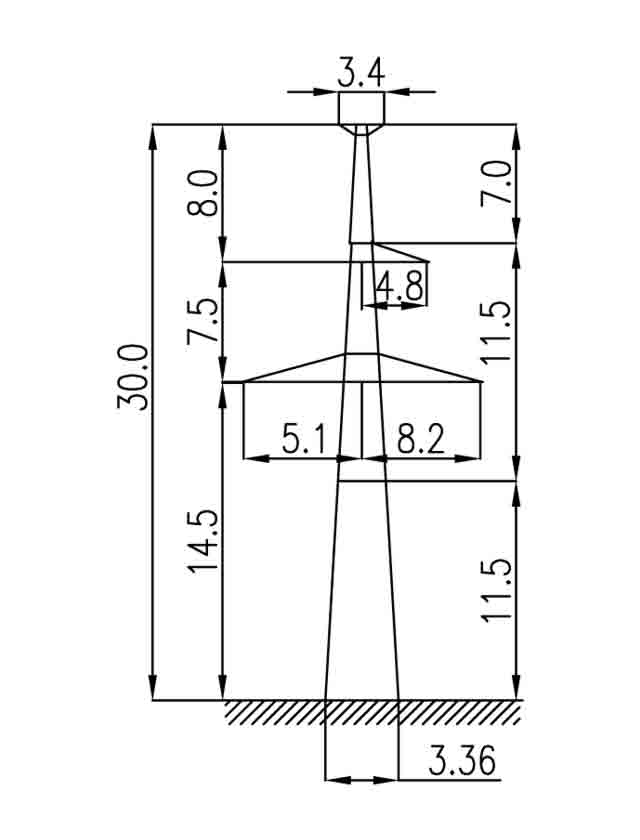
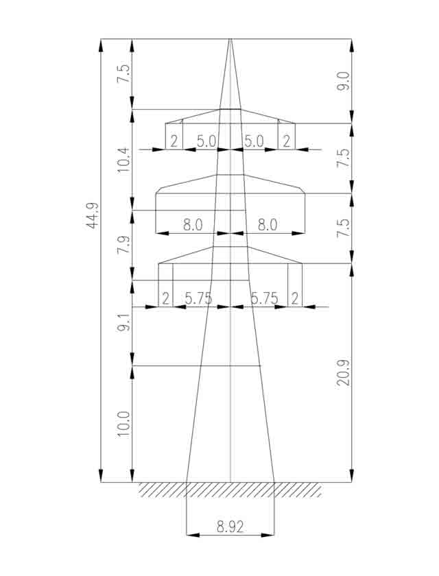
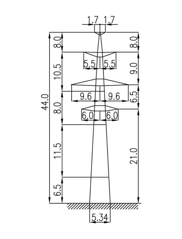
Линии напряжением 330 кВ служат для распределения электроэнергии внутри крупных энергосистем, для снабжения электроэнергией удалённых или крупных потребителей.
Это элемент воздушной линии электропередач, функцией которых является восприятие создаваемых нормальным односторонним натяжением проводов усилий, направленных вдоль линий в Алма-ате.
Линии напряжением 330 кВ служат для распределения электроэнергии внутри крупных энергосистем.
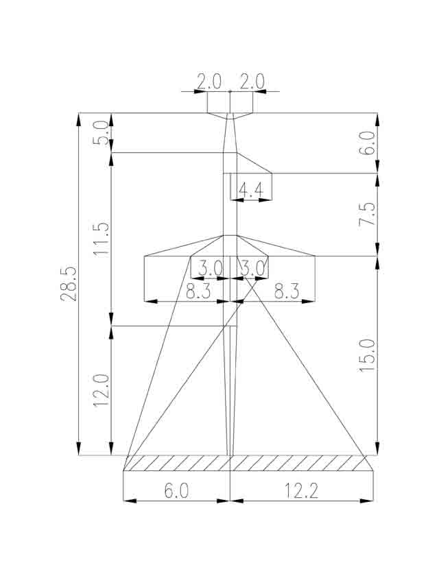
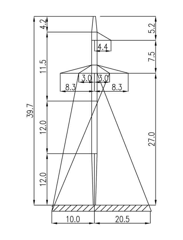
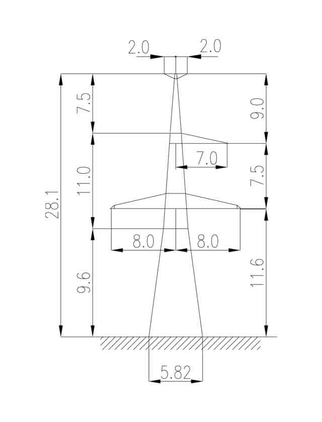
Они предназначены для крепления и поддержки проводов и тросов на определённом уровне относительно друг друга и земли. Служат для передачи тока напряжением от 35 кВ и выше.
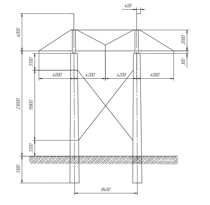
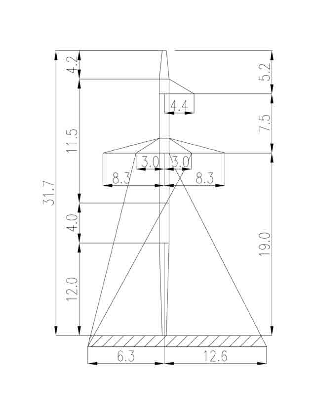
Производство, изготовление анкерно-угловых опор ВЛ 400 кВ на заводе «Энергостальконструкция».
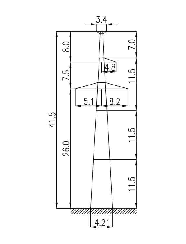
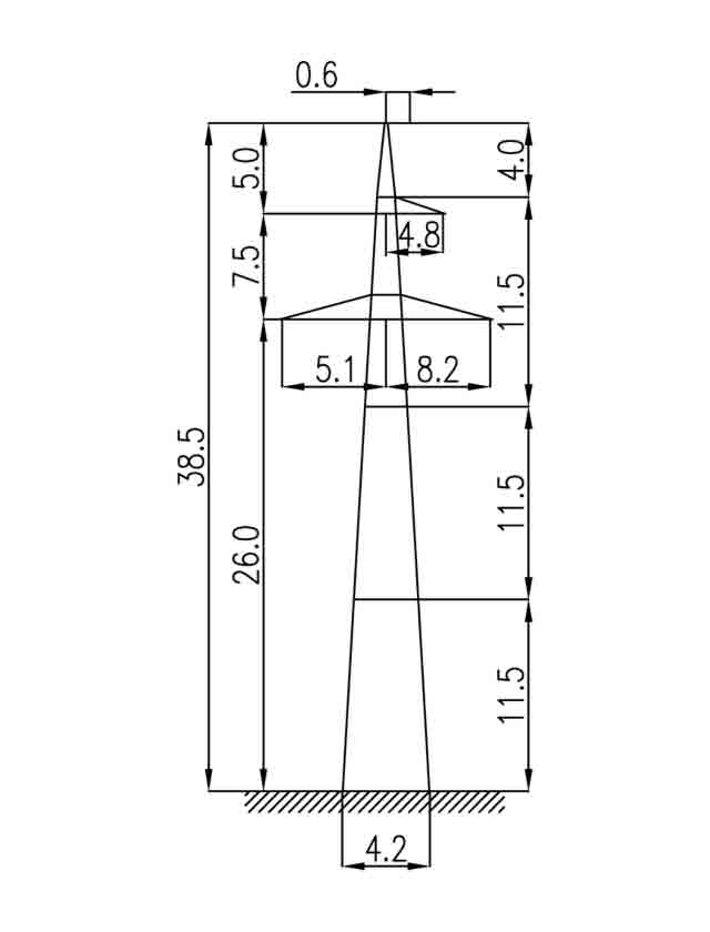
Высоковольтные линии с напряжением 400 кВ служат для передачи энергии населённым пунктам и производственным предприятиям.
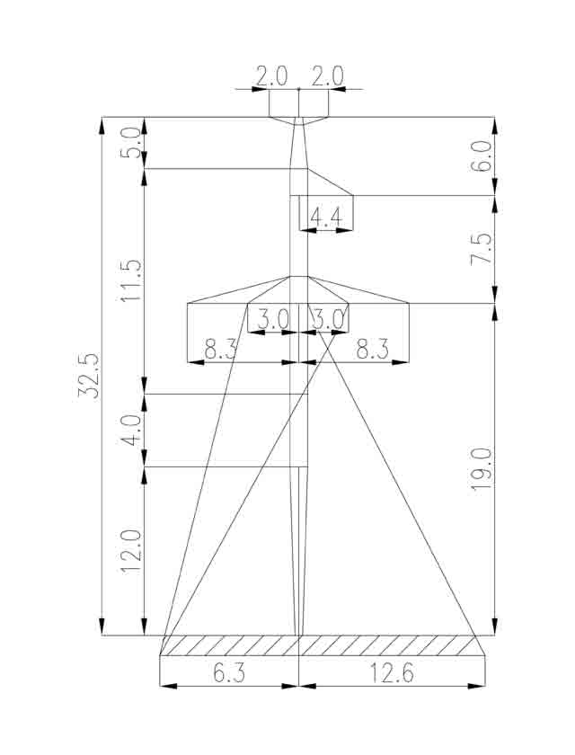
Напряжение в 500 кВ необходимо для обеспечения электроэнергией крупных потребителей и передачи её на длительные расстояния.
Линии напряжением в 500кВ необходимы для создания единой энергетической системы по всей стране, для распределения мощности для крупных электростанций и снабжения электроэнергией крупных или энергоёмких предприятий.
Рассчитаны для строительства ВЛ 750кВ в регионах с различными гололедно — ветровыми нагрузками.