Металлические опоры ЛЭП Стальные порталы ору Прожекторные мачты и молниеотводы Ростверки и металлические балки Антенные опоры и башни релейной связи Металлоконструкции различного назначения
35 кВ 110 кВ 220 кВ 330кВ 400 кВ 500 кВ 750 кВ
Анкерно-угловые Концевые Переходные Промежуточные

2П330-1Т

Шифр опоры 
Тип опоры
Марка проводов
Марка троса
Цепность
№ чертежа монтажной схемы
Масса опоры по черт. КМ без цинка в кг
Масса опоры по черт. КМ с цинком в кг
2П330-1Т
Промежуточные
2ХАС240/32,2ХАС400/51
С70 (ТК-11)
Одноцепные
3.407.2-145.2 05КМ, СЗО ЭСП
6796
7050

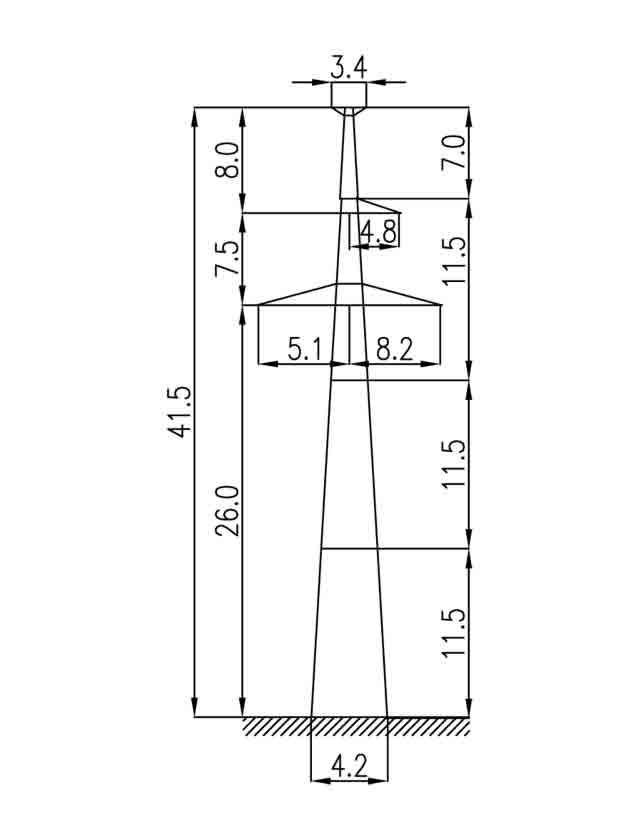
Цены на опоры 2П330-1Т в Алма-ате могут различаться, в зависимости от марки стали металлоконструкций и антикоррозийного покрытия. Масса опоры без покрытия 6796 кг, масса опоры с горячим цинковым покрытием 7050 кг. Опора 2П330-1Т по типу — промежуточная, по цепности — одноцепная. Марка проводов 2хАС240/32, 2хАС400/51, марка троса С70 (ТК-11). Металлическая опора 2П330-1Т изготавливается по типовому проекту № 3.407.2-145.2 05 КМ, СЗО ЭСП. Скоростной напор ветра 80 кгс/м2.

    Заполните поля и мы с Вами свяжемся!






    Нажмите «Принять», если вы соглашаетесь с условиями обработки cookie и данных о поведении на сайте, нужных нам для аналитики. Запретить обработку cookie можете через браузер.
    Принять