Металлические опоры ЛЭП Стальные порталы ору Прожекторные мачты и молниеотводы Ростверки и металлические балки Антенные опоры и башни релейной связи Металлоконструкции различного назначения
35 кВ 110 кВ 220 кВ 330кВ 400 кВ 500 кВ 750 кВ
Анкерно-угловые Концевые Переходные Промежуточные

3П330-2-5.0

Шифр опоры 
Тип опоры
Марка проводов
Марка троса
Цепность
№ чертежа монтажной схемы
Масса опоры по черт. КМ без цинка в кг
Масса опоры по черт. КМ с цинком в кг
3П330-2-5.0
Промежуточные
2ХАС240/32, 2ХАС400/51
С70 (ТК-11)
Двухцепные
3.407.2-156.2 09 КМ, СЗО ЭСП
9542
9912

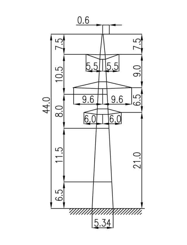
Цены на опоры 3П330-2-5.0 в Алма-ате могут различаться, в зависимости от марки стали металлоконструкций и антикоррозийного покрытия. Масса опоры без покрытия 9542 кг, масса опоры с горячим цинковым покрытием 9912 кг. Опора 3П330-2-5.0 по типу — промежуточная, по цепности — одноцепная. Марка проводов 2хАС240/32, 2хАС400/51, марка троса С70 (ТК-11). Металлическая опора 3П330-2-5.0 изготавливается по типовому проекту № 3.407.2-156.2 09 КМ, СЗО ЭСП. Скоростной напор ветра 80 кгс/м2.

    Заполните поля и мы с Вами свяжемся!






    Нажмите «Принять», если вы соглашаетесь с условиями обработки cookie и данных о поведении на сайте, нужных нам для аналитики. Запретить обработку cookie можете через браузер.
    Принять