Металлические опоры ЛЭП Стальные порталы ору Прожекторные мачты и молниеотводы Ростверки и металлические балки Антенные опоры и башни релейной связи Металлоконструкции различного назначения
35 кВ 110 кВ 220 кВ 330кВ 400 кВ 500 кВ 750 кВ
Анкерно-угловые Промежуточные

Промежуточные опоры ВЛ 500 кВ в Алма-ате

Марка опоры Масса без окраски и цинкового покрытия, кг Масса опоры с горячим цинковым покрытием, кг
ПБ1 6543 6730
ПБ1-I 6480  6665 
ПБ1-II 6417 6601
ПБ1-III 6354 6586
ПБ1-IV 6291 6471
ПБ1Т 6500
ПБ2 6711  6914
ПБ2-I 6647  6839 
ПБ2-II 6585  6774 
ПБ2-III 6523  6710 
ПБ2-IV 6460  6645
ПБ2Т 6590
ПБ3 7323 7530
ПБ3-I 7250  7455
ПБ3-II 7174  7372
ПБ3-III 7092 7300
ПБ3-IV 7024  7228
ПБ4 7766 7986
ПБ4-I 7690  7909
ПБ4-II 7615  7831 
ПБ4-III 7540  7754
ПБ4-IV 7464  7676
ПБ4Т
ПБ4Т-I
ПБ4Т-II
ПБ4Т-III
ПБ4Т-IV
ПБ5 8175 8408
ПБ5-I 8100  8331 
ПБ5-II 8025  8253 
ПБ5-III 7946  8176
ПБ5-IV 7874  8093
ПП500-1 6830 
ПП500-3 7226  7442 
ПП500-5 8883  8883 
ПП500-5+3 9345 9714
ПП500-7 11596.8 12043.8
ПП500-7-I 11400.6 11839.6
ПП500-7-II 11183.0 11612.0
ПП500-7-III 11009.2 11009.2
ПП500-7-IV 10813.4 11229.4
ПС500-1 15888 16508
ПС500-1+10 17968 18669
ПС500-1+5 13793 14331
ПС500-3 15888 16508
ПС500-3+10 22864 23756
ПС500-3+5 18688 19417
ПУ500-1 11639  12093 
ПУ500-1+5
ПУБ-2 9442 9725
ПУБ-5 9308 9587
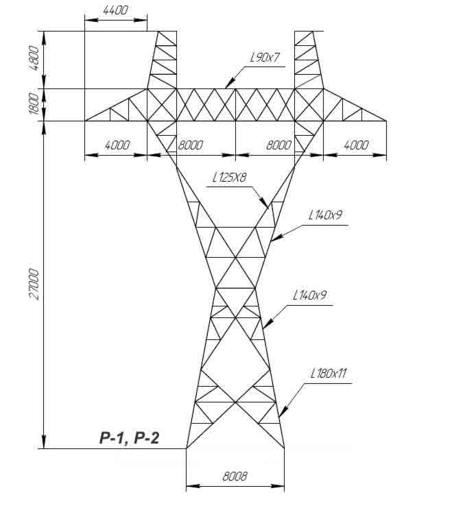
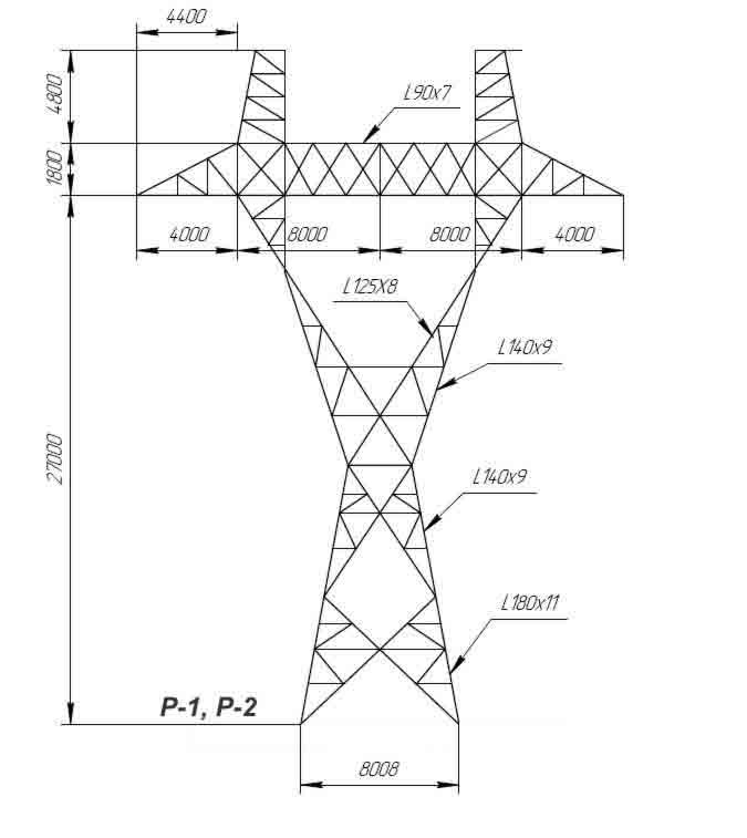
Р1 10811  11135
Р1+10 15697  16168
Р1+5 13240  13637 
Р2 11473  11817 
Р2+10 16359  16850
Р2+5 13902  14319 

База опоры, мм:

Высота траверсы, м:

Масса без окраски и цинкового покрытия, кг: 6543

Масса опоры с горячим цинковым покрытием, кг: 6730

База опоры, мм:

Высота траверсы, м:

Масса без окраски и цинкового покрытия, кг: 6480 

Масса опоры с горячим цинковым покрытием, кг: 6665 

База опоры, мм:

Высота траверсы, м:

Масса без окраски и цинкового покрытия, кг: 6417

Масса опоры с горячим цинковым покрытием, кг: 6601

База опоры, мм:

Высота траверсы, м:

Масса без окраски и цинкового покрытия, кг: 6354

Масса опоры с горячим цинковым покрытием, кг: 6586

База опоры, мм:

Высота траверсы, м:

Масса без окраски и цинкового покрытия, кг: 6291

Масса опоры с горячим цинковым покрытием, кг: 6471

База опоры, мм:

Высота траверсы, м:

Масса без окраски и цинкового покрытия, кг: 6500

Масса опоры с горячим цинковым покрытием, кг:

База опоры, мм:

Высота траверсы, м:

Масса без окраски и цинкового покрытия, кг: 6711 

Масса опоры с горячим цинковым покрытием, кг: 6914

База опоры, мм:

Высота траверсы, м:

Масса без окраски и цинкового покрытия, кг: 6647 

Масса опоры с горячим цинковым покрытием, кг: 6839 

База опоры, мм:

Высота траверсы, м:

Масса без окраски и цинкового покрытия, кг: 6585 

Масса опоры с горячим цинковым покрытием, кг: 6774 

База опоры, мм:

Высота траверсы, м:

Масса без окраски и цинкового покрытия, кг: 6523 

Масса опоры с горячим цинковым покрытием, кг: 6710 

База опоры, мм:

Высота траверсы, м:

Масса без окраски и цинкового покрытия, кг: 6460 

Масса опоры с горячим цинковым покрытием, кг: 6645

База опоры, мм:

Высота траверсы, м:

Масса без окраски и цинкового покрытия, кг: 6590

Масса опоры с горячим цинковым покрытием, кг:

База опоры, мм:

Высота траверсы, м:

Масса без окраски и цинкового покрытия, кг: 7323

Масса опоры с горячим цинковым покрытием, кг: 7530

База опоры, мм:

Высота траверсы, м:

Масса без окраски и цинкового покрытия, кг: 7250 

Масса опоры с горячим цинковым покрытием, кг: 7455

База опоры, мм:

Высота траверсы, м:

Масса без окраски и цинкового покрытия, кг: 7174 

Масса опоры с горячим цинковым покрытием, кг: 7372

База опоры, мм:

Высота траверсы, м:

Масса без окраски и цинкового покрытия, кг: 7092

Масса опоры с горячим цинковым покрытием, кг: 7300

База опоры, мм:

Высота траверсы, м:

Масса без окраски и цинкового покрытия, кг: 7024 

Масса опоры с горячим цинковым покрытием, кг: 7228

База опоры, мм:

Высота траверсы, м:

Масса без окраски и цинкового покрытия, кг: 7766

Масса опоры с горячим цинковым покрытием, кг: 7986

База опоры, мм:

Высота траверсы, м:

Масса без окраски и цинкового покрытия, кг: 7690 

Масса опоры с горячим цинковым покрытием, кг: 7909

База опоры, мм:

Высота траверсы, м:

Масса без окраски и цинкового покрытия, кг: 7615 

Масса опоры с горячим цинковым покрытием, кг: 7831 

База опоры, мм:

Высота траверсы, м:

Масса без окраски и цинкового покрытия, кг: 7540 

Масса опоры с горячим цинковым покрытием, кг: 7754

База опоры, мм:

Высота траверсы, м:

Масса без окраски и цинкового покрытия, кг: 7464 

Масса опоры с горячим цинковым покрытием, кг: 7676

База опоры, мм: 9200

Высота траверсы, м:

Масса без окраски и цинкового покрытия, кг:

Масса опоры с горячим цинковым покрытием, кг:

База опоры, мм: 9065

Высота траверсы, м:

Масса без окраски и цинкового покрытия, кг:

Масса опоры с горячим цинковым покрытием, кг:

База опоры, мм: 8930

Высота траверсы, м:

Масса без окраски и цинкового покрытия, кг:

Масса опоры с горячим цинковым покрытием, кг:

База опоры, мм: 8795

Высота траверсы, м:

Масса без окраски и цинкового покрытия, кг:

Масса опоры с горячим цинковым покрытием, кг:

База опоры, мм: 8660

Высота траверсы, м:

Масса без окраски и цинкового покрытия, кг:

Масса опоры с горячим цинковым покрытием, кг:

База опоры, мм:

Высота траверсы, м:

Масса без окраски и цинкового покрытия, кг: 8175

Масса опоры с горячим цинковым покрытием, кг: 8408

База опоры, мм:

Высота траверсы, м:

Масса без окраски и цинкового покрытия, кг: 8100 

Масса опоры с горячим цинковым покрытием, кг: 8331 

База опоры, мм:

Высота траверсы, м:

Масса без окраски и цинкового покрытия, кг: 8025 

Масса опоры с горячим цинковым покрытием, кг: 8253 

База опоры, мм:

Высота траверсы, м:

Масса без окраски и цинкового покрытия, кг: 7946 

Масса опоры с горячим цинковым покрытием, кг: 8176

База опоры, мм:

Высота траверсы, м:

Масса без окраски и цинкового покрытия, кг: 7874 

Масса опоры с горячим цинковым покрытием, кг: 8093

База опоры, мм:

Высота траверсы, м:

Масса без окраски и цинкового покрытия, кг: 6830 

Масса опоры с горячим цинковым покрытием, кг:

База опоры, мм:

Высота траверсы, м:

Масса без окраски и цинкового покрытия, кг: 7226 

Масса опоры с горячим цинковым покрытием, кг: 7442 

База опоры, мм:

Высота траверсы, м:

Масса без окраски и цинкового покрытия, кг: 8883 

Масса опоры с горячим цинковым покрытием, кг: 8883 

База опоры, мм:

Высота траверсы, м:

Масса без окраски и цинкового покрытия, кг: 9345

Масса опоры с горячим цинковым покрытием, кг: 9714

База опоры, мм:

Высота траверсы, м:

Масса без окраски и цинкового покрытия, кг: 11596.8

Масса опоры с горячим цинковым покрытием, кг: 12043.8

База опоры, мм:

Высота траверсы, м:

Масса без окраски и цинкового покрытия, кг: 11400.6

Масса опоры с горячим цинковым покрытием, кг: 11839.6

База опоры, мм:

Высота траверсы, м:

Масса без окраски и цинкового покрытия, кг: 11183.0

Масса опоры с горячим цинковым покрытием, кг: 11612.0

База опоры, мм:

Высота траверсы, м:

Масса без окраски и цинкового покрытия, кг: 11009.2

Масса опоры с горячим цинковым покрытием, кг: 11009.2

База опоры, мм:

Высота траверсы, м:

Масса без окраски и цинкового покрытия, кг: 10813.4

Масса опоры с горячим цинковым покрытием, кг: 11229.4

База опоры, мм:

Высота траверсы, м:

Масса без окраски и цинкового покрытия, кг: 15888

Масса опоры с горячим цинковым покрытием, кг: 16508

База опоры, мм:

Высота траверсы, м:

Масса без окраски и цинкового покрытия, кг: 17968

Масса опоры с горячим цинковым покрытием, кг: 18669

База опоры, мм:

Высота траверсы, м:

Масса без окраски и цинкового покрытия, кг: 13793

Масса опоры с горячим цинковым покрытием, кг: 14331

База опоры, мм:

Высота траверсы, м:

Масса без окраски и цинкового покрытия, кг: 15888

Масса опоры с горячим цинковым покрытием, кг: 16508

База опоры, мм:

Высота траверсы, м:

Масса без окраски и цинкового покрытия, кг: 22864

Масса опоры с горячим цинковым покрытием, кг: 23756

База опоры, мм:

Высота траверсы, м:

Масса без окраски и цинкового покрытия, кг: 18688

Масса опоры с горячим цинковым покрытием, кг: 19417

База опоры, мм:

Высота траверсы, м:

Масса без окраски и цинкового покрытия, кг: 11639 

Масса опоры с горячим цинковым покрытием, кг: 12093 

База опоры, мм:

Высота траверсы, м:

Масса без окраски и цинкового покрытия, кг: 9442

Масса опоры с горячим цинковым покрытием, кг: 9725

База опоры, мм:

Высота траверсы, м:

Масса без окраски и цинкового покрытия, кг: 9308

Масса опоры с горячим цинковым покрытием, кг: 9587

База опоры, мм:

Высота траверсы, м:

Масса без окраски и цинкового покрытия, кг: 10811 

Масса опоры с горячим цинковым покрытием, кг: 11135

База опоры, мм:

Высота траверсы, м:

Масса без окраски и цинкового покрытия, кг: 15697 

Масса опоры с горячим цинковым покрытием, кг: 16168

База опоры, мм:

Высота траверсы, м:

Масса без окраски и цинкового покрытия, кг: 13240 

Масса опоры с горячим цинковым покрытием, кг: 13637 

База опоры, мм:

Высота траверсы, м:

Масса без окраски и цинкового покрытия, кг: 11473 

Масса опоры с горячим цинковым покрытием, кг: 11817 

База опоры, мм:

Высота траверсы, м:

Масса без окраски и цинкового покрытия, кг: 16359 

Масса опоры с горячим цинковым покрытием, кг: 16850

База опоры, мм:

Высота траверсы, м:

Масса без окраски и цинкового покрытия, кг: 13902 

Масса опоры с горячим цинковым покрытием, кг: 14319 

    Заполните поля и мы с Вами свяжемся!






    Нажмите «Принять», если вы соглашаетесь с условиями обработки cookie и данных о поведении на сайте, нужных нам для аналитики. Запретить обработку cookie можете через браузер.
    Принять