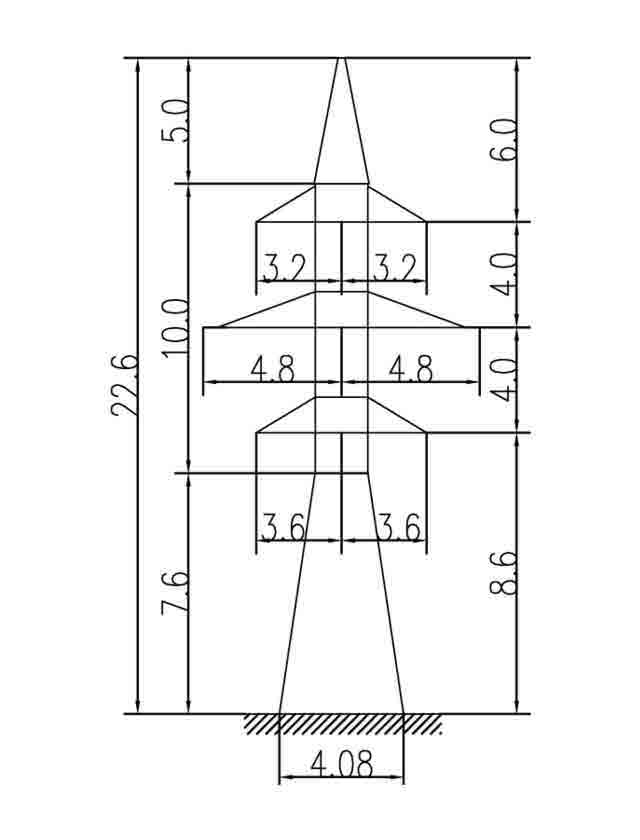
Анкерно-угловые: Высоковольтные линии с напряжением 110 кВ служат для передачи энергии населённым пунктам и производственным предприятиям в Алма-ате
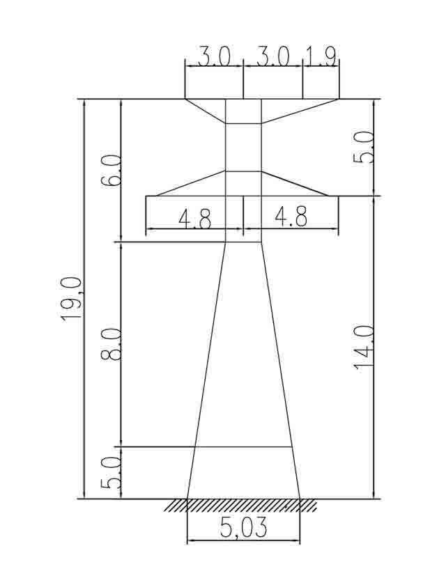
Переходные: производятся согласно типового проекта 3.407.2-168, и используются для строительства воздушных ЛЭП 110 кВ.
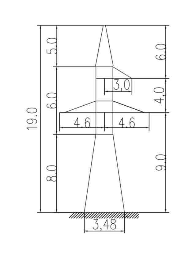
Промежуточные: Высоковольтные линии с напряжением 110 кВ служат для передачи энергии населённым пунктам и производственным предприятиям.
| Марка опоры | Масса без окраски и цинкового покрытия, кг | Масса опоры с горячим цинковым покрытием, кг |
| 1П110-1 | 2211 | 2294 |
| 1П110-1-3.2 | 1972 | 2046 |
| 1П110-1-8.5 | 1570 | 1628 |
| 1П110-2 | 3318 | 3440 |
| 1П110-2-3.2 | 2862 | 2967 |
| 1П110-2-8.5 | 2256 | 2338 |
| 1П110-3 | 2033 | 2108 |
| 1П110-3-3.2 | 1797 | 1863 |
| 1П110-3-8.5 | 1406 | 1458 |
| 1П110-4 | 3543 | 3674 |
| 1П110-4-3.2 | 3085 | 3198 |
| 1П110-4-8.5 | 2477 | 2567 |
| 1П110-6 | 3860 | 4002 |
| 1П110-6-3.2 | 3379 | 3503 |
| 1П110-6-8.5 | 2736 | 2836 |
| 1У110-1 | 2947 | 3057 |
| 1У110-1+10 | 5556 | 5766 |
| 1У110-1+15 | 7221 | 7494 |
| 1У110-1+5 | 4331 | 4494 |
| 1У110-2 | 4164 | 4320 |
| 1У110-2+10 | 7119 | 7385 |
| 1У110-2+15 | 8951 | 9286 |
| 1У110-2+5 | 5733 | 5946 |
| 1У110-3 | 3780 | 3920 |
| 1У110-3+10 | 6715 | 6968 |
| 1У110-3+15 | 8710 | 9038 |
| 1У110-3+5 | 5340 | 5540 |
| 1У110-4 | 5570 | 5775 |
| 1У110-4+10 | 8980 | 9315 |
| 1У110-4+15 | 11150 | 11565 |
| 1У110-4+5 | 7328 | 7600 |
| 1У110-4В | 5658 | 5895 |
| 1У110-4П | 5658 | 5895 |
| 1У110-5 | 3751 | 3891 |
| 1У110-5+10 | 6743 | 6997 |
| 1У110-5+15 | 8864 | 9200 |
| 1У110-5+5 | 3751 | 3891 |
| 1У110-8 | 9691 | 10050 |
| 1У110-8+10 | 13147 | 13635 |
| 1У110-8+15 | 15471 | 16047 |
| 1У110-8+5 | 11496 | 11920 |
| 2П110-1 | 2557 | 2652 |
| 2П110-1-3.6 | 2183 | 2264 |
| 2П110-1-8.5 | 1699 | 1761 |
| 2П110-11 | 2575 | 2657 |
| 2П110-11-10.8 | 1968 | 2030 |
| 2П110-11-5.4 | 2296 | 2369 |
| 2П110-11+5.4 | 2915 | 3008 |
| 2П110-3 | 2302 | 2387 |
| 2П110-3-3.6 | 1949 | 2020 |
| 2П110-3-8.5 | 1487 | 1541 |
| 3П110-1 | 2680 | 2780 |
| 3П110-1-3.2 | 2396 | 2485 |
| 3П110-1-8.5 | 1906 | 1977 |
| 3П110-2 | 3906 | 4050 |
| 3П110-2-3.2 | 3443 | 3570 |
| 3П110-2-8.5 | 2856 | 2960 |
| 3П110-3 | 2317 | 2403 |
| 3П110-3-3.2 | 2043 | 2120 |
| 3П110-3-8.5 | 1629 | 1690 |
| 4П110 | 8760 | |
| 4П110+5 | 10164 | |
| Анкерно угловые | 91 | Белгородская область |
| П110-1 | 1895 | 1969 |
| П110-1+4 | 2469 | 2565 |
| П110-1В | 1922 | 1996 |
| П110-1В+4 | 2485 | 2581 |
| П110-2 | 2795 | 2550 |
| П110-2В | 2736 | 2843 |
| П110-2В+4 | 3378 | 3509 |
| П110-3В | 2331 | 2421 |
| П110-3В+4 | 2950 | 3065 |
| П110-3У | ||
| П110-4В | 3191 | 3316 |
| П110-4В+4 | 3899 | 4051 |
| П110-5В | 2469 | 2565 |
| П110-5В+4 | 3088 | 3208 |
| П110-5ПГ | ||
| П110-6В | 3749 | 3895 |
| П110-6В+4 | 4450 | 4623 |
| П110-6ПГ | ||
| ПБ110-3 | 2033 | 2108 |
| Переходные | 91 | Белгородская область |
| ПП110-1/37,5 | 29863 | 31031 |
| ПП110-1/47,5 | 36281 | 37700 |
| ПП110-1/57,5 | 45452 | 47230 |
| ПП110-1/67,5 | 54239 | 56360 |
| ПП110-2/40 | 39168 | 40700 |
| ПП110-2/50 | 49206 | 51130 |
| ПП110-2/60 | 58512 | 60800 |
| ПС110-10 | ||
| ПС110-10+1.3 | ||
| ПС110-10В | 4869 | 5059 |
| ПС110-10ПГ | ||
| ПС110-5 | ||
| ПС110-5В | 2138 | 2221 |
| ПС110-6 | ||
| ПС110-6В | 2138 | 2221 |
| ПС110-9 | ||
| ПС110-9В | 2816 | 2925 |
| ПС110-9ПГ | ||
| ПУС110-1 | 4419 | 4592 |
| ПУС110-2 | 6750 | 7014 |
| У110-1 | 5040 | 5235 |
| У110-1+14 | 11299 | 11740 |
| У110-1+5 | 6716 | 6980 |
| У110-1+9 | 8222 | 8544 |
| У110-2 | 7704 | 8002 |
| У110-2+14 | 14643 | 15212 |
| У110-2+5 | 9717 | 10095 |
| У110-2+9 | 11391 | 11834 |
| У110-2В | ||
| У110-2П | ||
| У110-3 | 3248 | 3375 |
| У110-3+5 | 4440 | 4613 |
| У110-4 | 5265 | 5468 |
| У110-4+5 | 6625 | 6883 |
| У220-1+9 | 12587 | 13078 |
| УС110-3 | 5293 | 5498 |
| УС110-3+14 | 12003 | |
| УС110-3+5 | 7243 | |
| УС110-3+9 | 8807 | |
| УС110-5 | 5670 | 5880 |
| УС110-6 | 10447 | 10855 |
| УС110-7 | 7438 | 7729 |
| УС110-7+14 | 14368 | 14930 |
| УС110-7+5 | 9450 | 9819 |
| УС110-7+9 | 11115 | 11550 |
| УС110-8 | 12068 | 12540 |
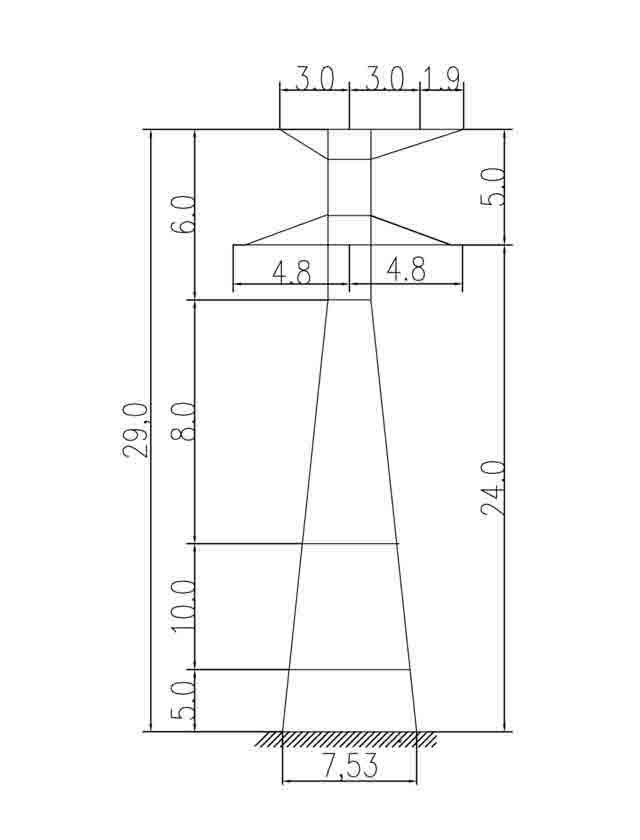
База опоры, мм:
Высота траверсы, м:
Масса без окраски и цинкового покрытия, кг: 2211
Масса опоры с горячим цинковым покрытием, кг: 2294
База опоры, мм:
Высота траверсы, м:
Масса без окраски и цинкового покрытия, кг: 1972
Масса опоры с горячим цинковым покрытием, кг: 2046
База опоры, мм:
Высота траверсы, м:
Масса без окраски и цинкового покрытия, кг: 1570
Масса опоры с горячим цинковым покрытием, кг: 1628
База опоры, мм:
Высота траверсы, м:
Масса без окраски и цинкового покрытия, кг: 3318
Масса опоры с горячим цинковым покрытием, кг: 3440
База опоры, мм:
Высота траверсы, м:
Масса без окраски и цинкового покрытия, кг: 2862
Масса опоры с горячим цинковым покрытием, кг: 2967
База опоры, мм:
Высота траверсы, м:
Масса без окраски и цинкового покрытия, кг: 2256
Масса опоры с горячим цинковым покрытием, кг: 2338
База опоры, мм:
Высота траверсы, м:
Масса без окраски и цинкового покрытия, кг: 2033
Масса опоры с горячим цинковым покрытием, кг: 2108
База опоры, мм:
Высота траверсы, м:
Масса без окраски и цинкового покрытия, кг: 1797
Масса опоры с горячим цинковым покрытием, кг: 1863
База опоры, мм:
Высота траверсы, м:
Масса без окраски и цинкового покрытия, кг: 1406
Масса опоры с горячим цинковым покрытием, кг: 1458
База опоры, мм:
Высота траверсы, м:
Масса без окраски и цинкового покрытия, кг: 3543
Масса опоры с горячим цинковым покрытием, кг: 3674
База опоры, мм:
Высота траверсы, м:
Масса без окраски и цинкового покрытия, кг: 3085
Масса опоры с горячим цинковым покрытием, кг: 3198
База опоры, мм:
Высота траверсы, м:
Масса без окраски и цинкового покрытия, кг: 2477
Масса опоры с горячим цинковым покрытием, кг: 2567
База опоры, мм:
Высота траверсы, м:
Масса без окраски и цинкового покрытия, кг: 3860
Масса опоры с горячим цинковым покрытием, кг: 4002
База опоры, мм:
Высота траверсы, м:
Масса без окраски и цинкового покрытия, кг: 3379
Масса опоры с горячим цинковым покрытием, кг: 3503
База опоры, мм:
Высота траверсы, м:
Масса без окраски и цинкового покрытия, кг: 2736
Масса опоры с горячим цинковым покрытием, кг: 2836
База опоры, мм:
Высота траверсы, м:
Масса без окраски и цинкового покрытия, кг: 2947
Масса опоры с горячим цинковым покрытием, кг: 3057
База опоры, мм:
Высота траверсы, м:
Масса без окраски и цинкового покрытия, кг: 5556
Масса опоры с горячим цинковым покрытием, кг: 5766
База опоры, мм:
Высота траверсы, м:
Масса без окраски и цинкового покрытия, кг: 7221
Масса опоры с горячим цинковым покрытием, кг: 7494
База опоры, мм:
Высота траверсы, м:
Масса без окраски и цинкового покрытия, кг: 4331
Масса опоры с горячим цинковым покрытием, кг: 4494
База опоры, мм:
Высота траверсы, м:
Масса без окраски и цинкового покрытия, кг: 4164
Масса опоры с горячим цинковым покрытием, кг: 4320
База опоры, мм:
Высота траверсы, м:
Масса без окраски и цинкового покрытия, кг: 7119
Масса опоры с горячим цинковым покрытием, кг: 7385
База опоры, мм:
Высота траверсы, м:
Масса без окраски и цинкового покрытия, кг: 8951
Масса опоры с горячим цинковым покрытием, кг: 9286
База опоры, мм:
Высота траверсы, м:
Масса без окраски и цинкового покрытия, кг: 5733
Масса опоры с горячим цинковым покрытием, кг: 5946
База опоры, мм:
Высота траверсы, м:
Масса без окраски и цинкового покрытия, кг: 3780
Масса опоры с горячим цинковым покрытием, кг: 3920
База опоры, мм:
Высота траверсы, м:
Масса без окраски и цинкового покрытия, кг: 6715
Масса опоры с горячим цинковым покрытием, кг: 6968
База опоры, мм:
Высота траверсы, м:
Масса без окраски и цинкового покрытия, кг: 8710
Масса опоры с горячим цинковым покрытием, кг: 9038
База опоры, мм:
Высота траверсы, м:
Масса без окраски и цинкового покрытия, кг: 5340
Масса опоры с горячим цинковым покрытием, кг: 5540
База опоры, мм:
Высота траверсы, м:
Масса без окраски и цинкового покрытия, кг: 5570
Масса опоры с горячим цинковым покрытием, кг: 5775
База опоры, мм:
Высота траверсы, м:
Масса без окраски и цинкового покрытия, кг: 8980
Масса опоры с горячим цинковым покрытием, кг: 9315
База опоры, мм:
Высота траверсы, м:
Масса без окраски и цинкового покрытия, кг: 11150
Масса опоры с горячим цинковым покрытием, кг: 11565
База опоры, мм:
Высота траверсы, м:
Масса без окраски и цинкового покрытия, кг: 7328
Масса опоры с горячим цинковым покрытием, кг: 7600
База опоры, мм:
Высота траверсы, м:
Масса без окраски и цинкового покрытия, кг: 5658
Масса опоры с горячим цинковым покрытием, кг: 5895
База опоры, мм:
Высота траверсы, м:
Масса без окраски и цинкового покрытия, кг: 5658
Масса опоры с горячим цинковым покрытием, кг: 5895
База опоры, мм:
Высота траверсы, м:
Масса без окраски и цинкового покрытия, кг: 3751
Масса опоры с горячим цинковым покрытием, кг: 3891
База опоры, мм:
Высота траверсы, м:
Масса без окраски и цинкового покрытия, кг: 6743
Масса опоры с горячим цинковым покрытием, кг: 6997
База опоры, мм:
Высота траверсы, м:
Масса без окраски и цинкового покрытия, кг: 8864
Масса опоры с горячим цинковым покрытием, кг: 9200
База опоры, мм:
Высота траверсы, м:
Масса без окраски и цинкового покрытия, кг: 3751
Масса опоры с горячим цинковым покрытием, кг: 3891
База опоры, мм:
Высота траверсы, м:
Масса без окраски и цинкового покрытия, кг: 9691
Масса опоры с горячим цинковым покрытием, кг: 10050
База опоры, мм:
Высота траверсы, м:
Масса без окраски и цинкового покрытия, кг: 13147
Масса опоры с горячим цинковым покрытием, кг: 13635
База опоры, мм:
Высота траверсы, м:
Масса без окраски и цинкового покрытия, кг: 15471
Масса опоры с горячим цинковым покрытием, кг: 16047
База опоры, мм:
Высота траверсы, м:
Масса без окраски и цинкового покрытия, кг: 11496
Масса опоры с горячим цинковым покрытием, кг: 11920
База опоры, мм:
Высота траверсы, м:
Масса без окраски и цинкового покрытия, кг: 2557
Масса опоры с горячим цинковым покрытием, кг: 2652
База опоры, мм:
Высота траверсы, м:
Масса без окраски и цинкового покрытия, кг: 2183
Масса опоры с горячим цинковым покрытием, кг: 2264
База опоры, мм:
Высота траверсы, м:
Масса без окраски и цинкового покрытия, кг: 1699
Масса опоры с горячим цинковым покрытием, кг: 1761
База опоры, мм:
Высота траверсы, м:
Масса без окраски и цинкового покрытия, кг: 2575
Масса опоры с горячим цинковым покрытием, кг: 2657
База опоры, мм:
Высота траверсы, м:
Масса без окраски и цинкового покрытия, кг: 1968
Масса опоры с горячим цинковым покрытием, кг: 2030
База опоры, мм:
Высота траверсы, м:
Масса без окраски и цинкового покрытия, кг: 2296
Масса опоры с горячим цинковым покрытием, кг: 2369
База опоры, мм:
Высота траверсы, м:
Масса без окраски и цинкового покрытия, кг: 2915
Масса опоры с горячим цинковым покрытием, кг: 3008
База опоры, мм:
Высота траверсы, м:
Масса без окраски и цинкового покрытия, кг: 2302
Масса опоры с горячим цинковым покрытием, кг: 2387
База опоры, мм:
Высота траверсы, м:
Масса без окраски и цинкового покрытия, кг: 1949
Масса опоры с горячим цинковым покрытием, кг: 2020
База опоры, мм:
Высота траверсы, м:
Масса без окраски и цинкового покрытия, кг: 1487
Масса опоры с горячим цинковым покрытием, кг: 1541
База опоры, мм:
Высота траверсы, м:
Масса без окраски и цинкового покрытия, кг: 2680
Масса опоры с горячим цинковым покрытием, кг: 2780
База опоры, мм:
Высота траверсы, м:
Масса без окраски и цинкового покрытия, кг: 2396
Масса опоры с горячим цинковым покрытием, кг: 2485
База опоры, мм:
Высота траверсы, м:
Масса без окраски и цинкового покрытия, кг: 1906
Масса опоры с горячим цинковым покрытием, кг: 1977
База опоры, мм:
Высота траверсы, м:
Масса без окраски и цинкового покрытия, кг: 3906
Масса опоры с горячим цинковым покрытием, кг: 4050
База опоры, мм:
Высота траверсы, м:
Масса без окраски и цинкового покрытия, кг: 3443
Масса опоры с горячим цинковым покрытием, кг: 3570
База опоры, мм:
Высота траверсы, м:
Масса без окраски и цинкового покрытия, кг: 2856
Масса опоры с горячим цинковым покрытием, кг: 2960
База опоры, мм:
Высота траверсы, м:
Масса без окраски и цинкового покрытия, кг: 2317
Масса опоры с горячим цинковым покрытием, кг: 2403
База опоры, мм:
Высота траверсы, м:
Масса без окраски и цинкового покрытия, кг: 2043
Масса опоры с горячим цинковым покрытием, кг: 2120
База опоры, мм:
Высота траверсы, м:
Масса без окраски и цинкового покрытия, кг: 1629
Масса опоры с горячим цинковым покрытием, кг: 1690
База опоры, мм:
Высота траверсы, м:
Масса без окраски и цинкового покрытия, кг: 8760
Масса опоры с горячим цинковым покрытием, кг:
База опоры, мм:
Высота траверсы, м:
Масса без окраски и цинкового покрытия, кг: 10164
Масса опоры с горячим цинковым покрытием, кг:
Федеральный округ: 91
Субъекты центрального ФО: Белгородская область
База опоры, мм:
Высота траверсы, м:
Масса без окраски и цинкового покрытия, кг: 1895
Масса опоры с горячим цинковым покрытием, кг: 1969
База опоры, мм:
Высота траверсы, м:
Масса без окраски и цинкового покрытия, кг: 2469
Масса опоры с горячим цинковым покрытием, кг: 2565
База опоры, мм:
Высота траверсы, м:
Масса без окраски и цинкового покрытия, кг: 1922
Масса опоры с горячим цинковым покрытием, кг: 1996
База опоры, мм:
Высота траверсы, м:
Масса без окраски и цинкового покрытия, кг: 2485
Масса опоры с горячим цинковым покрытием, кг: 2581
База опоры, мм:
Высота траверсы, м:
Масса без окраски и цинкового покрытия, кг: 2795
Масса опоры с горячим цинковым покрытием, кг: 2550
База опоры, мм:
Высота траверсы, м:
Масса без окраски и цинкового покрытия, кг: 2736
Масса опоры с горячим цинковым покрытием, кг: 2843
База опоры, мм:
Высота траверсы, м:
Масса без окраски и цинкового покрытия, кг: 3378
Масса опоры с горячим цинковым покрытием, кг: 3509
База опоры, мм:
Высота траверсы, м:
Масса без окраски и цинкового покрытия, кг: 2331
Масса опоры с горячим цинковым покрытием, кг: 2421
База опоры, мм:
Высота траверсы, м:
Масса без окраски и цинкового покрытия, кг: 2950
Масса опоры с горячим цинковым покрытием, кг: 3065
База опоры, мм:
Высота траверсы, м:
Масса без окраски и цинкового покрытия, кг:
Масса опоры с горячим цинковым покрытием, кг:
База опоры, мм:
Высота траверсы, м:
Масса без окраски и цинкового покрытия, кг: 3191
Масса опоры с горячим цинковым покрытием, кг: 3316
База опоры, мм:
Высота траверсы, м:
Масса без окраски и цинкового покрытия, кг: 3899
Масса опоры с горячим цинковым покрытием, кг: 4051
База опоры, мм:
Высота траверсы, м:
Масса без окраски и цинкового покрытия, кг: 2469
Масса опоры с горячим цинковым покрытием, кг: 2565
База опоры, мм:
Высота траверсы, м:
Масса без окраски и цинкового покрытия, кг: 3088
Масса опоры с горячим цинковым покрытием, кг: 3208
База опоры, мм:
Высота траверсы, м:
Масса без окраски и цинкового покрытия, кг:
Масса опоры с горячим цинковым покрытием, кг:
База опоры, мм: 2800
Высота траверсы, м:
Масса без окраски и цинкового покрытия, кг: 3749
Масса опоры с горячим цинковым покрытием, кг: 3895
База опоры, мм: 3200
Высота траверсы, м:
Масса без окраски и цинкового покрытия, кг: 4450
Масса опоры с горячим цинковым покрытием, кг: 4623
База опоры, мм:
Высота траверсы, м:
Масса без окраски и цинкового покрытия, кг:
Масса опоры с горячим цинковым покрытием, кг:
База опоры, мм:
Высота траверсы, м:
Масса без окраски и цинкового покрытия, кг: 2033
Масса опоры с горячим цинковым покрытием, кг: 2108
Федеральный округ: 91
Субъекты центрального ФО: Белгородская область
База опоры, мм: 6000
Высота траверсы, м: 37.5
Масса без окраски и цинкового покрытия, кг: 29863
Масса опоры с горячим цинковым покрытием, кг: 31031
База опоры, мм: 6800
Высота траверсы, м: 47.5
Масса без окраски и цинкового покрытия, кг: 36281
Масса опоры с горячим цинковым покрытием, кг: 37700
База опоры, мм: 8600
Высота траверсы, м: 57.5
Масса без окраски и цинкового покрытия, кг: 45452
Масса опоры с горячим цинковым покрытием, кг: 47230
База опоры, мм: 10500
Высота траверсы, м: 67.5
Масса без окраски и цинкового покрытия, кг: 54239
Масса опоры с горячим цинковым покрытием, кг: 56360
База опоры, мм: 6800
Высота траверсы, м: 40
Масса без окраски и цинкового покрытия, кг: 39168
Масса опоры с горячим цинковым покрытием, кг: 40700
База опоры, мм: 8600
Высота траверсы, м: 50
Масса без окраски и цинкового покрытия, кг: 49206
Масса опоры с горячим цинковым покрытием, кг: 51130
База опоры, мм: 10500
Высота траверсы, м: 60
Масса без окраски и цинкового покрытия, кг: 58512
Масса опоры с горячим цинковым покрытием, кг: 60800
База опоры, мм:
Высота траверсы, м:
Масса без окраски и цинкового покрытия, кг:
Масса опоры с горячим цинковым покрытием, кг:
База опоры, мм:
Высота траверсы, м:
Масса без окраски и цинкового покрытия, кг:
Масса опоры с горячим цинковым покрытием, кг:
База опоры, мм: 2640
Высота траверсы, м:
Масса без окраски и цинкового покрытия, кг: 4869
Масса опоры с горячим цинковым покрытием, кг: 5059
База опоры, мм:
Высота траверсы, м:
Масса без окраски и цинкового покрытия, кг:
Масса опоры с горячим цинковым покрытием, кг:
База опоры, мм:
Высота траверсы, м:
Масса без окраски и цинкового покрытия, кг:
Масса опоры с горячим цинковым покрытием, кг:
База опоры, мм:
Высота траверсы, м:
Масса без окраски и цинкового покрытия, кг: 2138
Масса опоры с горячим цинковым покрытием, кг: 2221
База опоры, мм:
Высота траверсы, м:
Масса без окраски и цинкового покрытия, кг:
Масса опоры с горячим цинковым покрытием, кг:
База опоры, мм:
Высота траверсы, м:
Масса без окраски и цинкового покрытия, кг: 2138
Масса опоры с горячим цинковым покрытием, кг: 2221
База опоры, мм: 2674
Высота траверсы, м:
Масса без окраски и цинкового покрытия, кг:
Масса опоры с горячим цинковым покрытием, кг:
База опоры, мм: 2674
Высота траверсы, м:
Масса без окраски и цинкового покрытия, кг: 2816
Масса опоры с горячим цинковым покрытием, кг: 2925
База опоры, мм:
Высота траверсы, м:
Масса без окраски и цинкового покрытия, кг:
Масса опоры с горячим цинковым покрытием, кг:
База опоры, мм:
Высота траверсы, м:
Масса без окраски и цинкового покрытия, кг: 4419
Масса опоры с горячим цинковым покрытием, кг: 4592
База опоры, мм:
Высота траверсы, м:
Масса без окраски и цинкового покрытия, кг: 6750
Масса опоры с горячим цинковым покрытием, кг: 7014
База опоры, мм:
Высота траверсы, м:
Масса без окраски и цинкового покрытия, кг: 5040
Масса опоры с горячим цинковым покрытием, кг: 5235
База опоры, мм:
Высота траверсы, м:
Масса без окраски и цинкового покрытия, кг: 11299
Масса опоры с горячим цинковым покрытием, кг: 11740
База опоры, мм:
Высота траверсы, м:
Масса без окраски и цинкового покрытия, кг: 6716
Масса опоры с горячим цинковым покрытием, кг: 6980
База опоры, мм:
Высота траверсы, м:
Масса без окраски и цинкового покрытия, кг: 8222
Масса опоры с горячим цинковым покрытием, кг: 8544
База опоры, мм:
Высота траверсы, м:
Масса без окраски и цинкового покрытия, кг: 7704
Масса опоры с горячим цинковым покрытием, кг: 8002
База опоры, мм:
Высота траверсы, м:
Масса без окраски и цинкового покрытия, кг: 14643
Масса опоры с горячим цинковым покрытием, кг: 15212
База опоры, мм:
Высота траверсы, м:
Масса без окраски и цинкового покрытия, кг: 9717
Масса опоры с горячим цинковым покрытием, кг: 10095
База опоры, мм:
Высота траверсы, м:
Масса без окраски и цинкового покрытия, кг: 11391
Масса опоры с горячим цинковым покрытием, кг: 11834
База опоры, мм:
Высота траверсы, м:
Масса без окраски и цинкового покрытия, кг:
Масса опоры с горячим цинковым покрытием, кг:
База опоры, мм:
Высота траверсы, м:
Масса без окраски и цинкового покрытия, кг:
Масса опоры с горячим цинковым покрытием, кг:
База опоры, мм:
Высота траверсы, м:
Масса без окраски и цинкового покрытия, кг: 3248
Масса опоры с горячим цинковым покрытием, кг: 3375
База опоры, мм:
Высота траверсы, м:
Масса без окраски и цинкового покрытия, кг: 4440
Масса опоры с горячим цинковым покрытием, кг: 4613
База опоры, мм:
Высота траверсы, м:
Масса без окраски и цинкового покрытия, кг: 5265
Масса опоры с горячим цинковым покрытием, кг: 5468
База опоры, мм:
Высота траверсы, м:
Масса без окраски и цинкового покрытия, кг: 6625
Масса опоры с горячим цинковым покрытием, кг: 6883
База опоры, мм:
Высота траверсы, м:
Масса без окраски и цинкового покрытия, кг: 12587
Масса опоры с горячим цинковым покрытием, кг: 13078
База опоры, мм:
Высота траверсы, м:
Масса без окраски и цинкового покрытия, кг: 5293
Масса опоры с горячим цинковым покрытием, кг: 5498
База опоры, мм:
Высота траверсы, м:
Масса без окраски и цинкового покрытия, кг:
Масса опоры с горячим цинковым покрытием, кг: 12003
База опоры, мм:
Высота траверсы, м:
Масса без окраски и цинкового покрытия, кг:
Масса опоры с горячим цинковым покрытием, кг: 7243
База опоры, мм:
Высота траверсы, м:
Масса без окраски и цинкового покрытия, кг:
Масса опоры с горячим цинковым покрытием, кг: 8807
База опоры, мм:
Высота траверсы, м:
Масса без окраски и цинкового покрытия, кг: 5670
Масса опоры с горячим цинковым покрытием, кг: 5880
База опоры, мм:
Высота траверсы, м:
Масса без окраски и цинкового покрытия, кг: 10447
Масса опоры с горячим цинковым покрытием, кг: 10855
База опоры, мм:
Высота траверсы, м:
Масса без окраски и цинкового покрытия, кг: 7438
Масса опоры с горячим цинковым покрытием, кг: 7729
База опоры, мм:
Высота траверсы, м:
Масса без окраски и цинкового покрытия, кг: 14368
Масса опоры с горячим цинковым покрытием, кг: 14930
База опоры, мм:
Высота траверсы, м:
Масса без окраски и цинкового покрытия, кг: 9450
Масса опоры с горячим цинковым покрытием, кг: 9819
База опоры, мм:
Высота траверсы, м:
Масса без окраски и цинкового покрытия, кг: 11115
Масса опоры с горячим цинковым покрытием, кг: 11550
База опоры, мм:
Высота траверсы, м:
Масса без окраски и цинкового покрытия, кг: 12068
Масса опоры с горячим цинковым покрытием, кг: 12540
Анкерные опоры напряжением 35 кВ предназначены для натяжения и закрепления линий. Они имеют более жёсткую и сложную конструкцию.
Промежуточные опоры ЛЭП напряжением в 35 кВ являются связующим звеном между высоковольтными магистралями и значением, необходимым для обычных потребителей.
Высоковольтные линии с напряжением 110 кВ служат для передачи энергии населённым пунктам и производственным предприятиям.
Производятся согласно типового проекта 3.407.2-168, и используются для строительства воздушных ЛЭП 110 кВ.
Высоковольтные линии с напряжением 110 кВ служат для передачи энергии населённым пунктам и производственным предприятиям.
Анкерные угловые опоры воздушных линий 220 кВ производятся и устанавливаются для крепления и натяжения тросов и проводов при поворотах.
Используются в ходе протягивания линий электропередачи между его потребителями и электростанциями.
Переходные опоры ЛЭП напряжением в 220 кВ служат для поддержки и крепления проводов и тросов на нужном расстоянии.
Высоковольтные линии с напряжением 220 кВ служат для передачи энергии населённым пунктам и производственным предприятиям.
Линии напряжением 330 кВ служат для распределения электроэнергии внутри крупных энергосистем, для снабжения электроэнергией удалённых или крупных потребителей.
Это элемент воздушной линии электропередач, функцией которых является восприятие создаваемых нормальным односторонним натяжением проводов усилий, направленных вдоль линий в Алма-ате.
Линии напряжением 330 кВ служат для распределения электроэнергии внутри крупных энергосистем.
Они предназначены для крепления и поддержки проводов и тросов на определённом уровне относительно друг друга и земли. Служат для передачи тока напряжением от 35 кВ и выше.
Производство, изготовление анкерно-угловых опор ВЛ 400 кВ на заводе «Энергостальконструкция».
Высоковольтные линии с напряжением 400 кВ служат для передачи энергии населённым пунктам и производственным предприятиям.
Напряжение в 500 кВ необходимо для обеспечения электроэнергией крупных потребителей и передачи её на длительные расстояния.
Линии напряжением в 500кВ необходимы для создания единой энергетической системы по всей стране, для распределения мощности для крупных электростанций и снабжения электроэнергией крупных или энергоёмких предприятий.
Рассчитаны для строительства ВЛ 750кВ в регионах с различными гололедно — ветровыми нагрузками.