Металлические опоры ЛЭП Стальные порталы ору Прожекторные мачты и молниеотводы Ростверки и металлические балки Антенные опоры и башни релейной связи Металлоконструкции различного назначения
35 кВ 110 кВ 220 кВ 330кВ 400 кВ 500 кВ 750 кВ
Анкерно-угловые Переходные Промежуточные

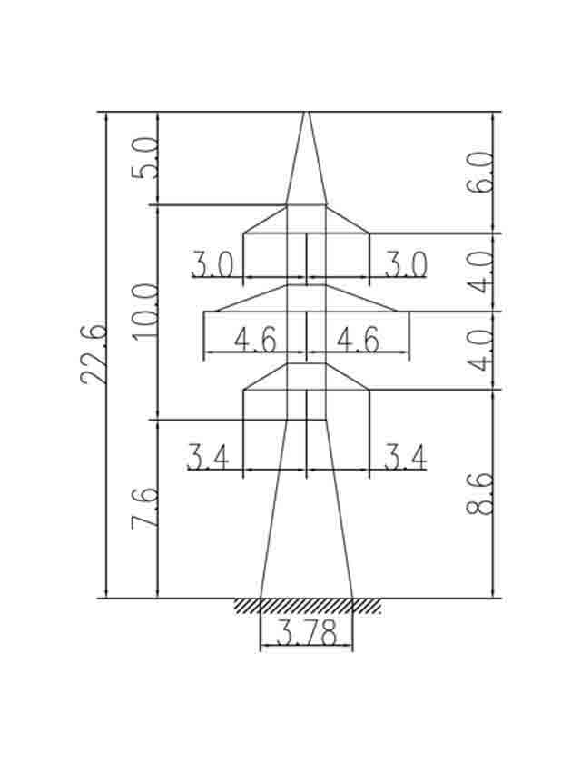
1У110-2

Шифр опоры 1У110-2
Тип опоры Анкерно-угловая
Цепность Двухцепная
№ чертежа монтажной схемы 3.407.2-170.3 09КМ СЗО ЭСП
Масса опоры по черт. КМ без цинка в кг 4164
Масса опоры по черт. КМ с цинком в кг 4320

Цены на опоры 1У110-2 в Алма-ате могут различаться, в зависимости от марки стали металлоконструкций и антикоррозийного покрытия. Масса опоры без покрытия 4164 кг, с покрытием методом горячего цинкования 4320 кг. Опоры 1У110-2 производятся по чертежной монтажной схеме № 3.407.2-170.3 09КМ СЗО ЭСП. По цепности опора — двухцепная, по типу — анкерно-угловая. Все заказы отгружаем во все регионы России и в страны ближнего зарубежья.

    Заполните поля и мы с Вами свяжемся!






    Нажмите «Принять», если вы соглашаетесь с условиями обработки cookie и данных о поведении на сайте, нужных нам для аналитики. Запретить обработку cookie можете через браузер.
    Принять