Металлические опоры ЛЭП Стальные порталы ору Прожекторные мачты и молниеотводы Ростверки и металлические балки Антенные опоры и башни релейной связи Металлоконструкции различного назначения
35 кВ 110 кВ 220 кВ 330кВ 400 кВ 500 кВ 750 кВ
Анкерно-угловые Переходные Промежуточные

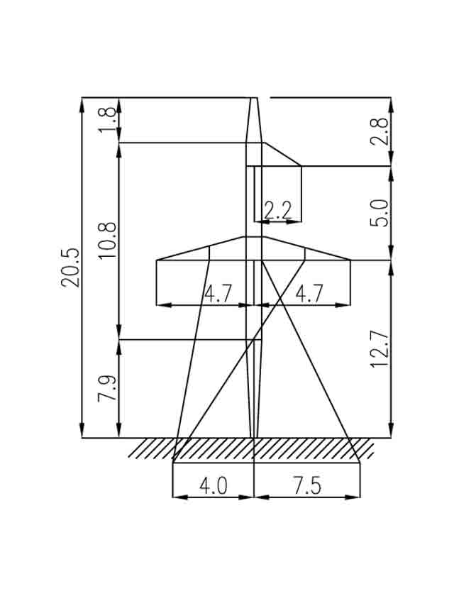
2П110-11-10.8

Шифр опоры 2П110-11-10.8
Тип опоры Промежуточная
Цепность Одноцепная
Марка проводов АС70/11 — АС120/19 — АС240/32
Марка троса С50 (ТК-9.1)
Типовой проект 3.407.2-165.1 СЗО ЭСП г. Ленинград
Масса опоры по черт. КМ без цинка в кг 1968
Масса опоры по черт. КМ с цинком в кг 2030

Цена на металлическую опору ЛЭП 2П110-11-10.8 в Алма-ате может отличаться, в зависимости от марки стали металлоконструкций и антикоррозийного покрытия. Все опоры комплектуются оцинкованными метизами. Промежуточные опоры изготавливаются только для поддержки проводов и не рассчитаны на дополнительные нагрузки. Опоры 2П110-11-10.8 по цепности — одноцепная, изготавливается по типовому проекту 3.407.2-165.1 СЗО ЭСП г. Ленинград. Марка провода АС70/11 — АС120/19 — АС240/32, марка троса С50 (ТК-9.1), вес опоры без цинкового покрытия 1968 кг, с цинковым покрытием 2030 кг.

    Заполните поля и мы с Вами свяжемся!






    Нажмите «Принять», если вы соглашаетесь с условиями обработки cookie и данных о поведении на сайте, нужных нам для аналитики. Запретить обработку cookie можете через браузер.
    Принять