Металлические опоры ЛЭП Стальные порталы ору Прожекторные мачты и молниеотводы Ростверки и металлические балки Антенные опоры и башни релейной связи Металлоконструкции различного назначения
35 кВ 110 кВ 220 кВ 330кВ 400 кВ 500 кВ 750 кВ
Анкерно-угловые Переходные Промежуточные

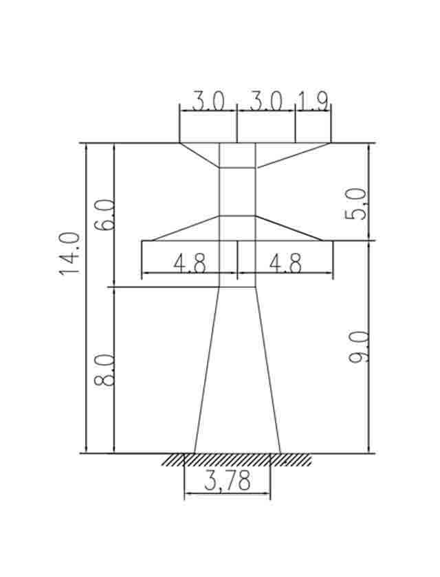
1У110-5

Шифр опоры 1У110-5
Тип опоры Анкерно-угловая
Цепность Двухцепная
№ чертежа монтажной схемы 3.407.2-156.3 01КМ СЗО ЭСП
Масса опоры по черт. КМ без цинка в кг 3751
Масса опоры по черт. КМ с цинком в кг 3891

Цены на опоры 1У110-5 в Алма-ате могут различаться, в зависимости от марки стали металлоконструкций и антикоррозийного покрытия. Опора 1У110-5 по типу — анкерно-угловая, по цепности — двухцепная. Масса опоры 1У110-5 без покрытия 3751 кг, с покрытием методом горячего цинкования 3891 кг. Данные опоры изготавливаются по чертежной монтажной схеме № 3.407.2-156.3 01КМ СЗО ЭСП. Все металлические опоры комплектуются оцинкованными метизами.

    Заполните поля и мы с Вами свяжемся!






    Нажмите «Принять», если вы соглашаетесь с условиями обработки cookie и данных о поведении на сайте, нужных нам для аналитики. Запретить обработку cookie можете через браузер.
    Принять