Металлические опоры ЛЭП Стальные порталы ору Прожекторные мачты и молниеотводы Ростверки и металлические балки Антенные опоры и башни релейной связи Металлоконструкции различного назначения
35 кВ 110 кВ 220 кВ 330кВ 400 кВ 500 кВ 750 кВ
Анкерно-угловые Переходные Промежуточные

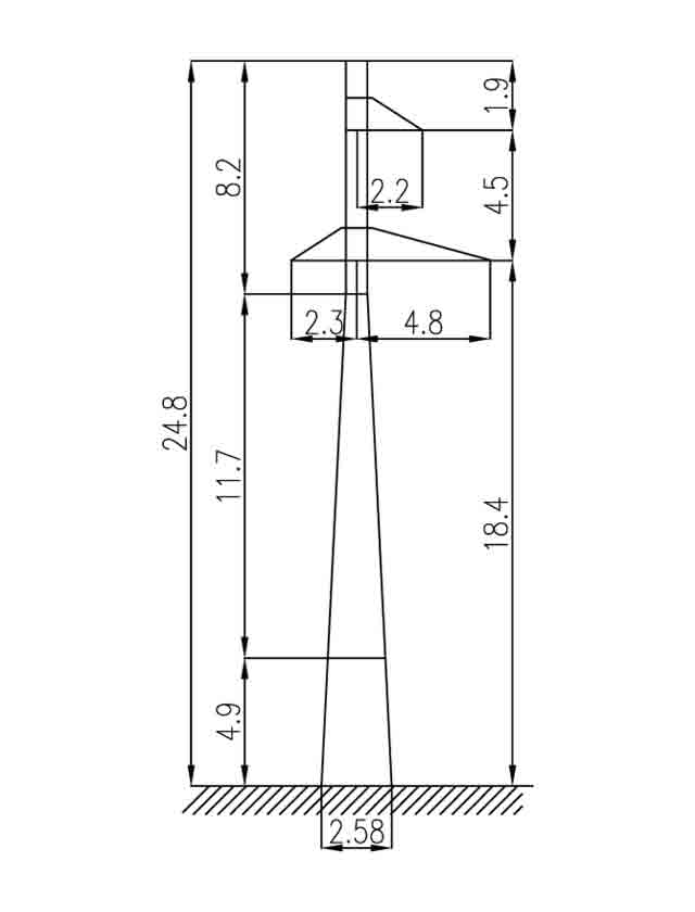
2П110-3-3.6

Шифр опоры 2П110-3-3.6
Тип опоры Промежуточная
Цепность Одноцепная
№ чертежа монтажной схемы 3.407.2-170.1 СЗО ЭСП г. Ленинград
Марка проводов АС 70/11
Марка троса ТК-9,1
Масса опоры по черт. КМ без цинка в кг 1949
Масса опоры по черт. КМ с цинком в кг 2020

Цена на металлическую опору 2П110-3-3.6 в Алма-ате могут различаться, в зависимости от марки стали и антикоррозийного покрытия металлоконструкций. Промежуточные опоры в строительстве ЛЭП самый используемый вид опор. Популярность данных опор заключается в их малом весом и ценой. Опоры 2П110-3.6 изготавливаются с запасом прочности, чтобы выдерживать порывы ветра и обледенение проводов и опор. Промежуточные опоры созданы только для поддержания на определенном расстоянии до земли и самой опорой. Опора 2П110-3-3.6 по цепности — одноцепные, производятся по унифицированным чертежам 3.407.2-170.1 СЗО ЭСП г. Ленинград, марка проводов АС 70/11, марка троса ТК-9.1, вес без цинкового покрытия 1949 кг, с цинковым покрытием 2020 кг.

    Заполните поля и мы с Вами свяжемся!






    Нажмите «Принять», если вы соглашаетесь с условиями обработки cookie и данных о поведении на сайте, нужных нам для аналитики. Запретить обработку cookie можете через браузер.
    Принять