Металлические опоры ЛЭП Стальные порталы ору Прожекторные мачты и молниеотводы Ростверки и металлические балки Антенные опоры и башни релейной связи Металлоконструкции различного назначения
35 кВ 110 кВ 220 кВ 330кВ 400 кВ 500 кВ 750 кВ
Анкерно-угловые Концевые Переходные Промежуточные

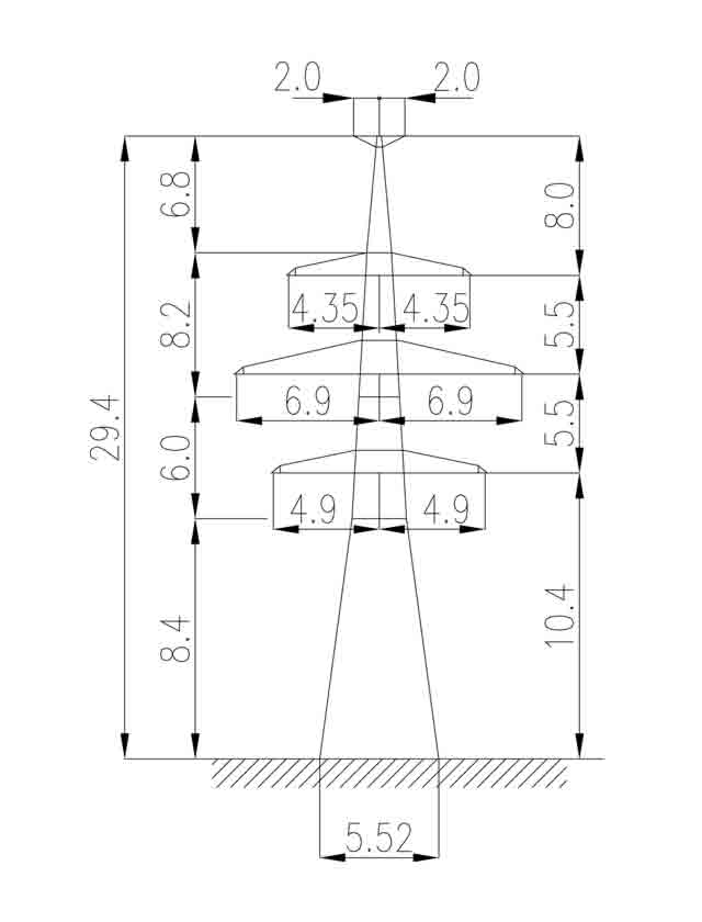
1У220-4Т

Шифр опоры 1У220-4Т
Тип опоры Анкерно-угловая
Цепность Двухцепная
Марка троса С70 (ТК-11)
Марка проводов АС400/51
№ чертежа монтажной схемы 3.407.2-145.3 13 КМ, СЗО ЭСП
Масса опоры по черт. КМ без цинка в кг 13848
Масса опоры по черт. КМ с цинком в кг 14354

Цены на опоры 1У220-4Т в Алма-ате могут различаться, в зависимости от марки стали металлоконструкций и антикоррозийного покрытия. Масса опоры без антикоррозийного покрытия 13848 кг, масса опоры с горячим цинковым покрытием 14354 кг. Опора 1У220-4Т изготавливается по типовому проекту № 3.407.2-145.3 13 КМ, СЗО ЭСП. Марка проводов АС400/51, марка троса С70 (ТК-11). По типу опора — анкерно-угловая, по цепности — двухцепная.

    Заполните поля и мы с Вами свяжемся!






    Нажмите «Принять», если вы соглашаетесь с условиями обработки cookie и данных о поведении на сайте, нужных нам для аналитики. Запретить обработку cookie можете через браузер.
    Принять