Металлические опоры ЛЭП Стальные порталы ору Прожекторные мачты и молниеотводы Ростверки и металлические балки Антенные опоры и башни релейной связи Металлоконструкции различного назначения
35 кВ 110 кВ 220 кВ 330кВ 400 кВ 500 кВ 750 кВ
Анкерно-угловые Концевые Переходные Промежуточные

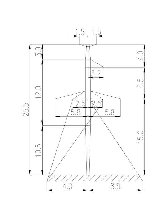
1П220-1Т-10.5

Шифр опоры 1П220-1Т-10.5
Тип опоры Промежуточная
Цепность Одноцепная
Типовая серия 3.407.2-165.1 09КМ, СЗО ЭСП
Марка проводов АС 240/32 — АС 400/51
Марка троса С70 (ТК-11)
Масса опоры по черт. КМ без цинка в кг 2949
Масса опоры по черт. КМ с цинком в кг 3044

Цены на опоры 1П220-1Т-10.5 в Алма-ате могут различаться, в зависимости от марки стали металлоконструкций и антикоррозийного покрытия. Опора 1П220-1Т-10.5 изготавливается по типовой серии 3.407.2-165.1 09КМ, СЗО ЭСП, марка проводов АС 240/32 — АС 400/51, марка троса С70 (ТК-11). По типу опора промежуточная, по цепности — одноцепная. Вес опоры 1П220-1Т-10.5 без покрытия 2949 кг, с покрытием методом горячего цинкования 3044 кг. Все опоры комплектуются оцинкованными метизами. Доставка осуществляется по всей территории РФ и в страны ближнего зарубежья.

    Заполните поля и мы с Вами свяжемся!






    Нажмите «Принять», если вы соглашаетесь с условиями обработки cookie и данных о поведении на сайте, нужных нам для аналитики. Запретить обработку cookie можете через браузер.
    Принять